| |
高頻開關電源電路原理 |
|
[ 通信界 | 中國電力通信網 | www.6611o.com | 2006/3/22 22:12:45 ]
|
|
|
|
|
|
| |
高頻開關電源由以下幾個部分組成(見下圖):
一、主電路 從交流電網輸入、直流輸出的全過程,包括: 1、輸入濾波器:其作用是將電網存在的雜波過濾,同時也阻礙本機產生的雜波反饋到公共電網。 2、整流與濾波:將電網交流電源直接整流為較平滑的直流電,以供下一級變換。 3、逆變:將整流后的直流電變為高頻交流電,這是高頻開關電源的核心部分,頻率越高,體積、重量與輸出功率之比越小。 4、輸出整流與濾波:根據負載需要,提供穩定可靠的直流電源。
二、控制電路 一方面從輸出端取樣,經與設定標準進行比較,然后去控制逆變器,改變其頻率或脈寬,達到輸出穩定,另一方面,根據測試電路提供的數據,經保護電路鑒別,提供控制電路對整機進行各種保護措施。
三、檢測電路 除了提供保護電路中正在運行中各種參數外,還提供各種顯示儀表數據。
四、輔助電源 提供所有單一電路的不同要求電源。

開關控制穩壓原理

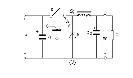
開關K以一定的時間間隔重復地接通和斷開,在開關K接通時,輸入電源E通過開關K和濾波電路提供給負載RL,在整個開關接通期間,電源E向負載提供能量;當開關K斷開時,輸入電源E便中斷了能量的提供。可見,輸入電源向負載提供能量是斷續的,為使負載能得到連續的能量提供,開關穩壓電源必須要有一套儲能裝置,在開關接通時將一部份能量儲存起來,在開關斷開時,向負載釋放。圖中,由電感L、電容C2和二極管D組成的電路,就具有這種功能。電感L用以儲存能量,在開關斷開時,儲存在電感L中的能量通過二極管D釋放給負載,使負載得到連續而穩定的能量,因二極管D使負載電流連續不斷,所以稱為續流二極管。在AB間的電壓平均值EAB可用下式表示: EAB=TON/T*E 式中TON為開關每次接通的時間,T為開關通斷的工作周期(即開關接通時間TON和關斷時間TOFF之和)。 由式可知,改變開關接通時間和工作周期的比例,AB間電壓的平均值也隨之改變,因此,隨著負載及輸入電源電壓的變化自動調整TON和T的比例便能使輸出電壓V0維持不變。改變接通時間TON和工作周期比例亦即改變脈沖的占空比,這種方法稱為“時間比率控制”(Time Ratio Control,縮寫為TRC)。 按TRC控制原理,有三種方式: 一、脈沖寬度調制(Pulse Width Modulation,縮寫為PWM) 開關周期恒定,通過改變脈沖寬度來改變占空比的方式。 二、脈沖頻率調制(Pulse Frequency Modulation,縮寫為PFM) 導通脈沖寬度恒定,通過改變開關工作頻率來改變占空比的方式。 三、混合調制 導通脈沖寬度和開關工作頻率均不固定,彼此都能改變的方式,它是以上二種方式的混合。
第三節 開關電源的發展和趨勢
1955年美國羅耶(GH.Roger)發明的自激振蕩推挽晶體管單變壓器直流變換器,是實現高頻轉換控制電路的開端,1957年美國查賽(Jen Sen)發明了自激式推挽雙變壓器,1964年美國科學家們提出取消工頻變壓器的串聯開關電源的設想,這對電源向體積和重量的下降獲得了一條根本的途徑。到了1969年由于大功率硅晶體管的耐壓提高,二極管反向恢復時間的縮短等元器件改善,終于做成了25千赫的開關電源。 目前,開關電源以小型、輕量和高效率的特點被廣泛應用于以電子計算機為主導的各種終端設備、通信設備等幾乎所有的電子設備,是當今電子信息產業飛速發展不可缺少的一種電源方式。目前市場上出售的開關電源中采用雙極性晶體管制成的100kHz、用MOS-FET制成的500kHz電源,雖已實用化,但其頻率有待進一步提高。要提高開關頻率,就要減少開關損耗,而要減少開關損耗,就需要有高速開關元器件。然而,開關速度提高后,會受電路中分布電感和電容或二極管中存儲電荷的影響而產生浪涌或噪聲。這樣,不僅會影響周圍電子設備,還會大大降低電源本身的可靠性。其中,為防止隨開關啟-閉所發生的電壓浪涌,可采用R-C或L-C緩沖器,而對由二極管存儲電荷所致的電流浪涌可采用非晶態等磁芯制成的磁緩沖器。不過,對1MHz以上的高頻,要采用諧振電路,以使開關上的電壓或通過開關的電流呈正弦波,這樣既可減少開關損耗,同時也可控制浪涌的發生。這種開關方式稱為諧振式開關。目前對這種開關電源的研究很活躍,因為采用這種方式不需要大幅度提高開關速度就可以在理論上把開關損耗降到零,而且噪聲也小,可望成為開關電源高頻化的一種主要方式。當前,世界上許多國家都在致力于數兆Hz的變換器的實用化研究。
|
1作者:中國電力通信網 來源:中國電力通信網 編輯:顧北 |
|
|
|
|
|
聲明:①凡本網注明“來源:通信界”的內容,版權均屬于通信界,未經允許禁止轉載、摘編,違者必究。經授權可轉載,須保持轉載文章、圖像、音視頻的完整性,并完整標注作者信息并注明“來源:通信界”。②凡本網注明“來源:XXX(非通信界)”的內容,均轉載自其它媒體,轉載目的在于傳遞更多行業信息,僅代表作者本人觀點,與本網無關。本網對文中陳述、觀點判斷保持中立,不對所包含內容的準確性、可靠性或完整性提供任何明示或暗示的保證。請讀者僅作參考,并請自行承擔全部責任。③如因內容涉及版權和其它問題,請自發布之日起30日內與本網聯系,我們將在第一時間刪除內容。 |
|
|
|
|
|
|
|
|
|
|