重慶郵電學院 房曙光 王平
電力線載波(PLC)通信是指利用現有電力線,通過載波方式將模擬或數字信號進行傳輸的技術。然而,以下缺點導致PLC的主要應用——“電力上網”未能大規模應用。
配電變壓器對電力載波信號有阻隔作用;
三相電力線間有很大信號損失(10~30dB);
不同信號耦合方式對電力載波信號損失不同;
電力線存在固有的脈沖干擾;
電力線對載波信號造成高削減。
技術問題未來有可能被克服,但是從目前國內寬帶網建設的情況來看,留給PLC的時間和空間并不寬裕。家庭智能系統的研究給PLC帶來了新的機遇。該系統以PC為核心實現家電的智能控制。因為數據僅在家庭范圍傳輸,束縛PLC應用的五大困擾將不復存在,遠程對家電的控制我們也能通過傳統網絡先連接到PC然后再控制家電方式實現。該系統中要求家電與PC通過電力線通信終端連接完成數據傳輸功能,該終端技術上要求能夠在電力線環境下穩定傳輸數據,具有較強抗干擾能力。
本文所介紹的系統通過擴頻通信技術來克服干擾,采用SC1128設計電力載波通信控制終端,載波頻率為250kHz,帶寬為100kHz,4周波調相,數據速率1kb/s,可實現低壓電力線的通信功能。
電力載波modem芯片的選擇
國外較早對電力線載波通信技術進行了研究,多家公司推出了自己的電力線載波modem芯片。目前市場上先進的電力載波modem(調制/解調)芯片主要有Intellon公司的SSCP300芯片和Echelon公司的PLT-22芯片。其中SSCP300采用了擴頻(Chirp方式)調制解調技術、現代DSP技術、CSMA技術以及標準的CEBus協議,可以稱為智能modem芯片,體現了modem芯片的發展趨勢。但SSCP300在國內電力線載波領域使用效果并不理想。其主要原因是該芯片是按北美地區的電網特性和頻率標準設計的。而PLT-22主要針對工業控制網而設計,采用BPSK調制解調技術以及多種容錯及糾錯技術,所以目前在我國應用效果最理想。但它是Lonworks網絡專用,而且價格太高,難以在民用市場大規模推廣。
在該系統中我們選擇由北京智源利和微電子技術有限公司設計開發的電力線載波調制芯片SC1128,該芯片專門針對中國低壓電網特性而設計,是一款適合中國低壓電網特性的數據傳輸專用芯片。該芯片采用CMOS技術設計的數模混合專用電路,應用先進的擴頻通信技術和調制解調技術,是面向低壓電力線低速率通信市場需要的專用擴頻modem芯片。相對前面介紹的兩款芯片,SC1128價位較低,可以為民用市場所接受。由于采用了直接序列擴頻、數字信號處理、直接數字頻率合成等新技術,該芯片應用在電力線通信方面具有較強的抗干擾及抗衰減性能。其電路內部集成了擴頻器、DAC和ADC、輸出驅動器、輸入信號放大器、工作電壓檢測器、看門狗電路、串/并接口電路,使得該芯片在多功能小型系統應用中可以降低系統的成本,提高系統的性能。其發射信號以兩種形式輸出:一種是經DAC后從正弦緩沖器輸出,諧波成分少;另一種從高壓開漏緩沖器輸出。該芯片含有的輸入信號放大器可對輸入信號進行前置放大;內置看門狗電路監視系統程序的工作狀態;內置電壓監測器可監測電源電壓的變化,并及時向系統發出報警信號;內置電子表電路(24小時制)可滿足不同時間段計費率的要求(支持掉電工作);內置串行半雙工同步傳輸通信接口,方便與MCU之間的控制命令和數據交換;采用63位擴頻碼,數據速率典型值為6.0kb/s(最大20kb/s);捕獲門限值200~6290,由軟件設定;內置64×8 SRAM存儲器(支持掉電工作),為系統提供數據暫存。
系統硬件設計
1 系統硬件結構
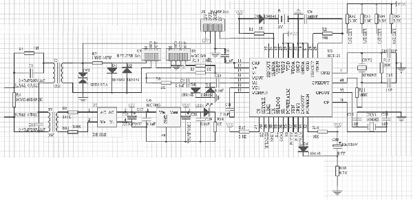
本系統硬件結構主要包括電力線耦合部分、信號接收電路部分、信號發射電路部分、電力線信號調制/解調部分、單片機控制部分及數字信號接口部分(包括鍵控接口和串行通信接口)。硬件結構框圖和電路圖如圖1、圖2所示。

圖1 電力載波通信控制終端硬件結構框圖

圖2 電力載波通信控制終端硬件電路圖
2 耦合電路部分設計
耦合電路是載波信號的輸出和輸入通路,并起隔離220V/50Hz工頻的作用。該電路設計時需考慮電力線路側的阻抗特性,圖2中T5為信號耦合變壓器,電力線路側阻抗一般取3~30Ω。然后確定線圈初次級的匝數比或阻抗比,本設計取12/21,最后設計功率放大器的輸出匹配電阻。輸入通道接一個浪涌保護二極管TVS,經電阻隔離后接二極管鉗位電路輸出給接收電路部分的前級濾波器。變壓器T5實現了高壓與低壓的隔離。因為載波的頻率比較高(100~400kHz),遠遠大于電網的頻率,這樣就使載波信號暢通無阻,而能夠隔斷高壓。電容C8阻斷低頻高壓,阻止變壓器飽和;電阻R5取值可稍大些,本設計中取1MΩ,作用是在離線時使電容放電,防止在設備插頭的兩端出現高壓。TVS是瞬變抑制二極管,它可以有效地避免后面電路被高壓擊穿。D1、D2也是為防止高壓擊穿放大電路而設計的。電力線上的設備接入或者是斷開,都有可能引起尖峰脈沖,并導致收發電路的永久損壞。所以高壓保護措施是至關重要的。除了電力線上會產生高壓脈沖破壞器件以外,當設備剛剛接上電源時,如果電力線剛好處于電壓的最大值,而此時電容上的電壓為0,會有300V(220V有效值,最大值311V)的高壓直接加在變壓器兩端,引起很大的電流,從而在次級產生尖峰脈沖。這個脈沖的電流相當大,可達幾十安培到上百安培,采用一般的穩壓管無法消除這個脈沖。壓敏電阻的響應比較緩慢,在出現脈沖的1μs之內仍然有幾十伏的電源,足以燒壞放大電路。實驗表明,這種剛剛接入電路時的瞬態脈沖所產生的破壞力相當大。但是它的電流雖然很大,能量卻不是很大。采用瞬變抑制二極管1.5KE6.8CA響應時間是5ns,能夠吸收200A電流,瞬態功率可達1500W。可以簡單地把它看作一個具有強大吸收電流能力的穩壓二極管,但它的動態電阻比較大,所以還需要D1和D2這兩個肖特基二極管進一步把電壓鉗位在電源電壓左右。
3 信號接收部分電路設計
信號接收部分設計包括前級濾波器設計與增益放大器設計。濾波器為帶通濾波器。其作用一方面將帶外雜波濾除,另一方面保證前后級之間的阻抗匹配,以達到順利傳遞信號的目的。由于主晶振的工作頻率不同,載頻也不同;調制周波數和數據傳輸速率不同,帶寬也不同。因此,濾波器的參數在主晶振頻率不同時也將有所變化的。這部分電路設計值與本終端適應,數據速率1kb/s、四周波調制、250kHz載頻,帶寬為100kHz(200~300kHz)。這部分增益放大的目的是將濾波后的信號不失真的放大75倍以上,以達到本級增益30dB以上的要求。需特別注意小信號的不失真。
4 信號發射電路部分設計
信號發射部分主要為功率放大電路設計。此級功率放大是將SC1128第24腳的高壓開漏輸出轉換成功率輸出。該腳輸出時應接一個不小于1kΩ的上拉電阻,其灌入電流不要超過4mA,并有不低于3V峰-峰的信號電壓輸出。功率放大器本身工作在開關狀態。由于正常地發射時間很短,所以在選擇三極管參數時應該注意其功率參數(測試時應注意工作時間不能太長,以避免損壞功率放大器的輸出三極管,整板測試時可以串一個電阻,不過此時輸出波形和功率將受影響)。
5 SC1128與微控制器接口
系統微控制器采用W77E58,它是中國臺灣的華幫電子公司(WinBond)推出的高速、高集成、增強型MCS-51系列高性能單片機,是一個快速、高性能、功能豐富、高集成度的8位8051兼容微控制器,適合各種智能控制系統開發。SC1128的第28腳為電路二分之一主晶振輸出(其峰-峰值約為4V),近似正弦波,該系統中主晶振為16MHz,且單片機晶振由28腳引入,即單片機晶振頻率8MHz;32腳為電壓監測端,該端需接5kΩ上拉電阻與5V電源相接;33腳為看門狗輸入端,正常工作時應該在768ms內產生一次高低電位變化;34腳為看門狗輸出端,與33腳配合,正常時輸出低電平,否則輸出1/3占空比的復位脈沖;35腳為電源報警輸出端,與32腳電源監測輸入端配合使用,當電源監測輸入端監測到的電源信號低于監測值時,輸出為低電平。當電源監測輸入端監測到的電源信號高于監測值時,輸出為高電平;36腳為收發控制端,0為接收,1為發射;37腳在發射和接受同步后產生同步脈沖信號,頻率隨工作主時鐘和周波的變化而變化;38腳發送和接收數據;39腳為設置數據及狀態的輸入輸出端;40腳為同步設置時鐘輸入端,使SC1128芯片與單片機信號同步;41腳為片選輸入端,低電平芯片使能,為保證芯片正常工作,在設計中將其接5.1kΩ上拉電阻。數據收發流程如下:發射狀態時,單片機將SR端(36腳)置高,SCl128芯片發出同步頭(37腳),單片機通過TX端(38腳)同步發送數據;接收狀態時,單片機將SR端(36腳)置低,SCl128芯片若接收到數據,則產生同步頭,通過TX端(38腳)將數據同步發送到單片機。SC1128與W77E58的連接如圖3所示。
圖3 SC1128與W77E58連接圖
軟件結構及SC1128芯片參數設置
該系統軟件流程如圖4所示,其中對SC1128芯片參數設置是程序關鍵部分,直接決定系統通信的信號收發過程及通信速率。

圖4 軟件流程圖
微控制器對SC1128芯片的設置是通過該芯片CS端(設置片選輸入端)、SETCLK(同步設置時鐘輸入端)和LINE(設置數據及狀態的輸入/輸出端)三端進行的。芯片設置(讀或寫)采用統一的數據格式,即每次讀或寫都是由2字節(控制字和數據位)完成的,其格式說明如圖5所示。

圖5 SC1128芯片設置數據格式
單片機對電路設置(讀或寫)時要向電路的CS端給出低電平,再由SETCLK端向電路發出同步脈沖,在同步脈沖的控制下首先向LINE端串行給出8位控制字,即先由高到底分別給出6位(A5~A0)地址,再給出讀/寫控制位(第七位)和空操作位(第八位);然后再給出8位數據。特別要注意的是LINE端為雙向端口,當MCU給出的8位控制字中的第七位(讀/寫控制位)為0(讀操作)時,電路將在SETCLK的第七個脈沖的下降沿把LINE端由輸入狀態變為輸出狀態,因此MCU在對電路進行讀操作時一定要在SETCLK的第七個脈沖的下降沿之前將MCU端的輸出(與電路的LINE相對應的端子)狀態改為輸入狀態。
由于控制字的地址A5~A0只有6位,因此可尋址范圍是64。SC1128芯片電路內部實際上只有60X8位SRAM,其地址范圍000000~111011。另4字節分別是保留寄存器、工作狀態寄存器、內部電子表的低8位和高8位。對電路內部60X8位SRAM的讀寫操作同樣是按照圖5的格式先給出地址再給出讀或寫操作位和空操作,最后給出寫入SRAM的數據或讀出SRAM內的數據。SRAM支持掉電工作方式,若系統出現掉電情況則在芯片VDDT電源端的維持下可以保持SRAM內的數據不丟失。因此可為小型應用系統提供數據暫存,避免系統意外掉電而丟失一些關鍵數據。其中地址為111101工作狀態寄存器的每一位分別控制著電路不同的工作狀態,具體格式如圖6所示。

圖6 工作狀態寄存器數據格式
對工作狀態寄存器的設置可以得到多種工作狀態。如通信速率快慢和捕獲門限的大小。工作狀態寄存器的S1和S0是控制通信速率快慢的,由這兩位可以選擇不同通信速率值。工作狀態寄存器的D4~D0是控制捕獲門限設置值的。在使用中可根據通信環境的實際情況來選擇不同的捕獲門限值以達到比較好的通信效果。在設置捕獲門限值時要特別注意與通信速率值的配合,否則將因為設置的捕獲門限值過大而出現無法同步的結果。
通信測試
實際通信測試系統包括一對結構完全相同的信號發送板和信號接收板,通過220V低壓電力線相連,兩板連接時零線與零線接,火線與火線接。發送板通過板上按鍵開關或串行口發送不同控制數據,控制接收板LED顯示不同數據或通過串口讀出所發送數據。經試驗室檢測該系統能夠實現正確的通信功能。在實際應用中要注意發收雙方的通信速率一致,即周波數要一致,另外門限值只對接收一方有意義,門限值的高低將影響到通信的誤碼率,但并非是門限越高就一定越好。要根椐通信情況和相應的速率適當選擇。