摘要:溫度是工農業生產中很重要的的參數,它直接影響到產品的質量與性能。提出了一種基于ATmega16單片機與溫度傳感器相結合的實時溫度采集與分析系統。本系統介紹了以ATmega16單片機為核心,以及自動化控制裝置GTJJ4-10A固態繼電器和數字溫度傳感器DS18B20,報警與指示電路等,在分析中基于MFC的軟件處理。其中包括溫度曲線的繪制,以及溫度值的保存,顯示歷史記錄等。在經過燒水溫度的測試,該系統穩定可靠便于分析。溫度誤差0.5℃,可以滿足工農業生產的要求。
隨著計算機技術尤其是單片微型機技術的發展,溫度對人們的生活與工作影響很大,所以要實時采集溫度并且對其進行分析。為此,實現實時準確的測量監控。采用串口傳送數據并且在PC機上進行分析。由于單片機的控制方便、簡單和靈活等優點,采用了高性能avr單片機來控制GTJ4-10A固態繼電器,最總實現溫度的控制。從而最總在PC機上繪制溫度曲線并保存數據和分析溫度的數據。
1 系統組成及基本原理
本系統由溫度采集模塊,固態繼電器控制模塊,單片機模塊,PC機軟件處理模塊。4個模塊加起來實現溫度的控制,以及溫度采集和溫度經過軟件處理的分析。它們的邏輯關系如圖1所示。

圖1 邏輯關系圖
本系統的任務是對某種特定環境的溫度進行采集并進行保存和再顯示,通過單片機去控制固態繼電器,從而控制其溫度值的大小,再通過PC機實時顯示當前的溫度,并對當前的溫度進行分析與保存。便于與以后的溫度值進行對比等應用。首先由ATmega16單片機控制GTJ4-10A固態繼電器從而控制交流電,再達到控制溫度值的大小,這個時候通過DS18B20溫度傳感器對當前的溫度值進行采集。將采集的數據結果通過Tx送給單片機,單片機將達到的溫度值一方面通過串行通訊端口送給計算機,另一方面將溫度數據進行對比分析,再通過IO控制GTJ4-10A固態繼電器。從而實現了溫度值控制。另一方面PC機得到的溫度值送給MFC軟件繪制溫度曲線,同時通過保存按鈕將溫度值以及采集當前溫度的時間記錄下來。然后再經過顯示按鈕將溫度值和時間顯示出來。這就是對溫度的實時采集與分析。
2 硬件部分設計
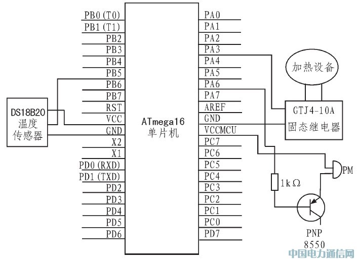
本系統主要采用高性能AVR單片機,GTJ4-10A固態繼電器,DS18B20溫度傳感器,報警輸出電路。主要系統電路圖略。
2.1 ATmega16單片機簡介
ATmega16是基于增強的AVR RISC結構的低功耗8位CMOS微控制器。由于其先進的指令集以及單時鐘周期指令執行時間,ATmega16的數據吞吐率高達1 MIPS/MHz,從而可以減緩系統在功耗和處理速度之間的矛盾。ATmega16AVR內核具有豐富的指令集和32個通用工作寄存器。所有的寄存器都直接與運算邏單元(ALU)相連接,使得一條指令可以在一個時鐘周期內同時訪問兩個獨立的寄存器。這種結構大大提高了代碼效率,并且具有比普通的CISC微控制器最高至10倍的數據吞吐率。因此可以很好進行數據傳送以及對繼電器的控制和溫度的采集。
2.2 溫度采集模塊
DS18B20采用Dallas獨有的單總線協議,溫度轉換結果可選擇為9-12位,最大轉換時間在轉換結果為12位時為750 ms,可通過讀取DS18B 20的狀態值判斷其是否轉換完畢。其測溫范圍為-55~+125℃,精度在范圍內為±0.5℃。
2.3 固態繼電器的控制
繼電器模塊單元通過單片機的IO口控制,讓單片機的計算器計數,當環境溫度的需要加熱時,我們通過IO讓繼電器工作,達到某一數值時,再給繼電器IO口低電平,從而通過單片機和利用繼電器實現弱點控制交流電的作用,這里主要是利用了單片機PWM實現控制,從而就實現溫度值大小的控制。具體電路圖如圖2所示。

圖2 單片機控制電路
2.4 報警輸出電路
報警輸出電路通過單片機的PA6口控制8550三極管,從而控制蜂鳴器。當溫度值達到某一值時,蜂鳴器報警。這時通知單片機停止加熱,再經過固態繼電器控制加熱設備,實現溫度維持在一恒定的溫度值附近。如果溫度值低于某一數值時,單片機通知加熱設備加熱,這個原理是采用采集溫度值控制的,從而達到用戶的要求。
3 軟件部分設計
在系統硬件構架完成后,系統軟件所實現的功能主要是針對溫度曲線的繪制以及溫度值的實時記錄和存檔并且實現歷史記錄。程序流程圖如圖3所示。

圖3 軟件流程圖
通過單片將數據傳遞給PC機,PC機將接收到的數據在溫度曲線顯示與分析用戶見面顯示出來。本軟件設計中還有串口選擇、波特率的選擇、停止顯示、清空數據、關閉程序等基本功能。這里主要是溫度值的曲線繪制,然后再將溫度值保存起來并進行再顯示的操作。從而達到實時采集與分析的功能。溫度曲線顯示與分析用戶界面如圖4所示。

圖4 用戶界面
3.1 溫度顯示曲線圖
溫度顯示曲線圖的主要任務是將單片機接收到的數據顯示出來,當溫度傳過時,在軟件中分別顯示當前的溫度值和時刻。通過MFC中的Time函數記錄每一個溫度值的時刻。并采用繪圖函數將溫度值和溫度的當前時刻繪成曲線,然后再對數據特殊處理繪制成曲線圖。在這里比較難處理的是實時的溫度采集繪制曲線。
3.2 保存設計單元
單片機接受的數據通過MFC中的WriteData()將溫度值和時刻值保存下來,此種做法就是利于將來對數據的分析使用,將溫度值和時間值記錄存檔成txt文件,打開txt文件可以很清楚看到數據的變化情況,這部分功能主要是記錄溫度值和溫度值的當前時刻,利于將來對溫度值做比較分析。
3.3 顯示設計單元
顯示設計單元是將保存的溫度值和時間值再繪制成溫度曲線圖,便于清楚分析數據。通過ReadData函數將保存的數據讀出來,然后在經過畫圖函數繪制溫度曲線圖,在這里可以清楚地看到歷史數據,這樣做便于實驗數據科學分析,這部分功能主要是顯示歷史溫度值和時刻,實驗結果如圖5所示。

圖5 實驗結果
4 結束語
該實時溫度采集與分析系統行能穩定可靠,另外,本系統采用高性能的ATmega16單片機最小系統組成。選用高靈敏度的數字式溫度傳感器為依據。通過單片機控制輸出不同的PWM,從而可以繪制出實際的溫度曲線,也可以根據不同的環境分析各個時刻的溫度值。本軟件設計中還有重要的保存和顯示歷史記錄的功能。利于將來進行對比分析數據。同時滿足實時環境溫度檢測和多種用戶的要求。