隨著物聯網設備越來越多地用于工業產品、家居自動化和醫療應用中,通過減小外形尺寸、提高效率、改善電流消耗,或者加快充電時間(對于便攜式物聯網設備)來優化這些設備電源管理的壓力也越來越大。所有這些都必須以小尺寸實現,既不能影響散熱,也不能干擾這些設備實現無線通信。
什么是物聯網?
物聯網,通常指一種智能聯網電子設備,可由電池供電,能將預先計算的數據發送給基于云的基礎設施。它利用嵌入式系統集合體(例如處理器、通信IC和傳感器)來收集、響應數據,并將數據發送回網絡的中心位置或其他節點。物聯網應用領域存在多種表現形式,設備形態多樣。例如簡單的溫度傳感器,用于向中央監控區域報告室溫,或者設備健康監測器,用于跟蹤監測昂貴工廠設備的長期健康狀況等等。
開發這些設備是為了解決特定需求和挑戰,無論是為了自動執行通常需要人工干預的任務,比如家居或樓宇自動化,還是在工業物聯網應用中提高設備的可用性和使用壽命,如果考慮在基于架構的應用(例如橋梁)中實現狀態監控應用,甚至可以提升安全性。
物聯網應用的五大核心領域
物聯網設備的應用領域異常廣泛,新場景和新應用不斷翻新。比如,基于應用的智能變送器可收集其環境數據,做出控制溫度、觸發警報或自動執行特定任務的相關決策。此外,煤氣表和空氣質量測量系統等便攜式儀器,可以通過云向控制中心提供準確的測量結果。GPS跟蹤定位系統是另一種應用,如可以通過智能耳標,追蹤牲畜集裝箱中的奶牛。而這些都僅僅是云連接設備中的一小部分。其他領域還包括可穿戴醫療健康應用和基礎設施檢測應用。
當前,工業物聯網應用已成關鍵增長領域,它是以智能工廠為中心的第四次工業革命里一環。許多物聯網應用最終都在嘗試盡可能實現工廠自動化,無論是通過使用自動導引車(AGV)、智能傳感器(如RF標簽或壓力表),或是部署在工廠周圍的其他環境傳感器。
ADI公司認為,物聯網主要側重以下五大領域:
· 智能健康——支持臨床級和消費級的生命體征監測應用。
· 智能工廠——側重于通過提高工廠的快速響應能力,使工廠更靈活、更精簡,以構建工業4.0。
· 智能樓宇/智慧城市——利用智能傳感技術來執行樓宇安全、車位占用檢測,以及實施溫度和電氣控制。
· 智能農業——利用現有技術實現自動化農業并提升資源利用效率。
· 智能基礎設施——基于狀態監控技術來監測移動和架構安全。
物聯網設計挑戰
在不斷發展的物聯網應用領域,設計人員面臨著諸多挑戰,但供電卻是最令人頭痛的。這些設備或節點大多數是在事后安裝的,或安裝在難以接近的位置,因此無法為其供電。這意味著需要完全依賴電池和/或能量收集方式供電。
假設要為工廠內偏遠的物聯網節點供電,一旦部署新電纜,不僅實施成本高昂,而且極為耗時,所以一般都會選擇使用電池或能量收集方式為這些偏遠節點供電。
而依賴電池供電,需要遵循嚴格的功率預算,以確保盡可能延長電池壽命,這必然會影響設備的總擁有成本。使用電池的另一個缺點,是在電池報廢之后需要更換電池。這包括電池本身的成本,以及更換電池和棄置舊電池的高額人力成本。
另外還要考慮電池成本和尺寸,這往往會導致對電池過度設計,以確保其擁有足夠容量,從而滿足電池的使用壽命要求,一般是要求超過10年。但是,過度設計會額外增加電池的成本和尺寸,因此,不僅要優化功率預算,還要盡可能減少能源使用,使電池尺寸足夠小,同時仍能夠滿足設計要求。
物聯網供電
為了方便討論,ADI公司將物聯網應用中的電源分為以下三種情況:
· 使用不可充電電池(原電池)的設備
· 需要使用可充電電池的設備
· 利用能量收集來提供系統電源的設備
這些電源可以單獨使用,或根據應用需要組合使用。
原電池應用
大家都知道各種不同的原電池應用,這些也稱為不可充電電池應用。主要用于偶爾需要用電的應用,也就是說,設備偶爾通電,然后重新進入深度睡眠模式,所以耗電很少。使用原電池供電的主要優勢在于:它提供高電能密度,設計簡單(因為無需包含電池充電/管理電路),以及成本較低(因為電池更便宜,所需的電子器件更少)。它們非常適合低成本、低功耗的放電應用,但是,因為這些電池的壽命有限,所以不太適合功耗略高的應用,而更換電池會產生額外的電池成本以及更換電池的人工成本。
想象一下擁有許多節點的大型物聯網裝置。當您請技術人員現場更換一臺設備的電池時,通常會一次性更換所有電池,以節省人工成本。毫無疑問,這是一種浪費,只會加劇全球浪費問題。更重要的一點,不可充電電池只提供了最初制造電池所用電量的2%。約98%的電量浪費使得這種電源的經濟效益非常低。
顯然,它們在基于物聯網的應用中確有一席之地。相對較低的初始成本使其非常適合低功耗應用。它們提供多種類型和尺寸選擇,而且無需使用額外的電子器件來進行充電或管理,所以是簡單的解決方案。
從設計角度來看,關鍵挑戰在于如何充分利用這些小型電源提供的電力。為此,需要花費大量時間來制定功率預算計劃,以確保盡量延長電池的使用壽命,設計目標一般是10年。
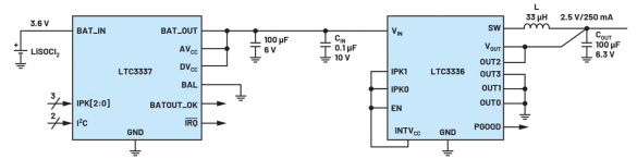
對于原電池應用,可以考慮使用ADI微功耗產品系列中的兩款產品:LTC3337微功耗庫侖計數器和LTC3336微功耗降壓穩壓器,如圖1所示。

圖1.LTC3337和LTC3336應用電路
LTC3336是一款低功耗DC-DC轉換器,輸入電壓可高達15 V,峰值輸出電流可編程。輸入可以低至2.5 V,因此非常適合電池供電應用。
在空載狀態下調節時,靜態電流可能非常低,僅65 nA。隨著DC-DC轉換器不斷改進,可輕松設置并用于新設計中。輸出電壓可根據OUT0至OUT3引腳的連接方式進行編程設置。
LTC3336的配套器件是LTC3337,這是一款微功耗原電池健康狀態監視器和庫侖計數器。它是另一款可輕松用于新設計的產品,只需按照峰值電流要求(在5mA至100mA范圍內)連接IPK引腳。根據選定的電池進行一些計算,然后填入基于選擇的峰值電流推薦的輸出電容。
最終,為功率預算有限的物聯網應用找出合適的配套設備。這些產品能夠準確監測原電池的電量使用情況,并將輸出高效轉換為可用的系統電壓。
可充電電池應用
現在,再來看看可充電應用。對于需要更高功率或更高放電的物聯網應用,原電池更換頻率顯然不合適,可充電電池將是一個不錯的選擇。電池的初始成本以及充電電路使可充電電池應用的成本更高,但在需要頻繁放電和充電的高放電應用中,這種成本是合理的,很快能實現回本。
根據所使用的化學物質,可充電電池應用的初始電量可能比原電池低,但從長遠來看,效率更高,總體來說,浪費更少。根據電力需求,還可以選擇電容或超級電容存儲,但它們更多用于短期后備存儲。
根據所使用的化學物質,電池充電涉及幾種不同的模式和工作特性(specialist profiles)。例如,圖2中顯示的鋰離子電池的充電特性曲線。底部為電池電壓,縱軸表示充電電流。

圖2.充電電流與電池電壓的關系
當電池嚴重放電時,如圖2左側所示,充電器需要具有足夠智能,讓電池進入預充電模式,使電池電壓緩慢增加到安全水平,然后進入恒流模式。
在恒流模式下,充電器將設定的電流輸入電池,直到電池電壓升至設定的浮充電壓。
設定的電流和電壓均取決于所用的電池類型,充電電流受充電速率和所需的充電時間限制,浮充電壓則基于保持電池安全的閾值。系統設計人員可以根據系統需要,通過稍微降低浮充電壓來幫助延長電池的使用壽命,與針對電源的考量一樣,就是進行權衡和取舍。
達到浮充電壓之后,充電電流會降至零,并且會根據終止算法使該電壓保持一段時間。
圖3顯示了3電池應用隨時間變化的行為特性曲線。紅色線條表示電池電壓,藍色線條表示充電電流。它在恒流模式下啟動,最高電流達2A,直至電池電壓達到12.6V恒壓閾值。充電器在終止定時器定義的時長內保持此電壓,在本例中,時長為4個小時。許多充電器產品都支持編程設置該時間。

圖3.充電電壓/電流與時間的關系
有關電池充電和一些可用產品的更多信息,可參閱《模擬對話》文章“適用于任何化學物的簡單電池充電器IC。”

圖4.LTC4162:3.2 A降壓型電池充電器
圖4顯示了一個不錯的多功能降壓型電池充電器(LTC4162)示例,它可以提供高達3.2 A充電電流,適合用于多種應用,包括便攜式儀器儀表和需要更大電池或電池組的應用。它也可用于從太陽能充電。
能量收集應用
在使用物聯網應用和其電源時,另一個可以考慮的選項是能源收集。當然,對于系統設計人員來說,需要考慮多方面因素,但免費能源的吸引力不能低估,尤其是電源要求不太嚴格且安裝位置不能觸及(即技術維修人員接觸不到)的應用。
有許多不同的能源可供選擇,也并非一定是戶外應用才使用這種方式。太陽能以及壓電或振動能量、熱電能,甚至RF能量都是可以收集的(雖然其功率電平很低)。
圖5顯示使用不同收集方法時相應的電能水平。

圖5.能源和可用于各種應用的大致電能水平
至于缺點,與之前討論的其他電源相比,其初始成本更高,因為需要使用收集元件,例如太陽能電池板、壓電接收器或珀爾帖效應元件,以及電能轉換IC和相關的使能組件。
另一個缺點是解決方案的整體尺寸更大,特別是與紐扣電池這樣的電源相比。使用能量收集器和轉換IC時,很難實現小型解決方案。
在效率方面,管理低電能水平也是一個難題。因為許多電源都是交流電源,所以需要整流。ADI使用二極管來實現整流。設計人員必須考慮其本身特性導致的電能損失。在增大輸入電壓的情況下,這種影響會減弱,但并非始終如此。

圖6.能量收集應用中ADP5090的功能框圖
大多數能量收集討論中使用的器件來自ADP509x產品系列和LTC3108,它支持廣泛的能量收集來源,提供多條電源路徑和可編程充電管理選項,可以提供極高的設計靈活性。可以使用多種能源為ADP509x供電,但也可以從電源中提取電能,用于為電池充電或為系統負載供電。從太陽能(室內和室外)到熱電發電機(從可穿戴應用的人體熱量或發動機熱量中提取熱能),任何能量來源都可用于為物聯網節點供電。此外還可以從壓電電源中獲取電能,這增加了另一層靈活性,也是一種很不錯的方式,(例如)可以從運行的電機中提取電能。
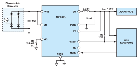
另一個能夠通過壓電電源供電的器件是ADP5304,它以較低的靜態電流(空載狀態下一般為260nA)運行,非常適合低功耗能量收集應用。數據手冊中展示了一個典型的能量收集應用電路(參見圖7),該電路由壓電電源供電,用于為ADC或RF IC供電。

圖7.ADP5304壓電電源應用電路
電能管理
在討論功率預算有限的應用時,還應當考慮電能管理。在查看不同的電源管理解決方案之前,首先要針對應用執行功率預算計算。這個步驟很重要,可以幫助系統設計人員了解系統中使用的重要組件,以及它們分別需要多少電能。這會影響他們的決定,是選擇原電池、可充電電池、能量收集,還是將這些選項組合使用。
在研究電能管理時,物聯網設備收集信號并將其發送回中央系統或云端的頻率是另一個重要因素,它對整體功耗有很大影響。一種常見手段是調整電源使用的占空比,或者延長喚醒設備使其收集和/或發送數據的時間間隔。
在嘗試管理系統電能使用情況時,對每個電子設備使用待機模式(如果提供)也是一種非常有用的工具。
結論
與所有電子應用一樣,盡早考慮電路的電源管理部分很重要。這在電源受限的應用中,如物聯網領域里更為重要。在設計階段盡早制定功率預算有助于系統設計人員確定有效的路徑和合適的設備,以應對這些應用帶來的挑戰,同時仍能夠以小尺寸解決方案實現高能效。
關于ADI公司
ADI是全球領先的高性能模擬技術公司,致力于解決最艱巨的工程設計挑戰。憑借杰出的檢測、測量、電源、連接和解譯技術,搭建連接現實世界和數字世界的智能化橋梁,從而幫助客戶重新認識周圍的世界。
作者簡介
Diarmuid Carey是歐洲中央應用中心的應用工程師,工作地點在愛爾蘭利默里克。他自2008年以來一直擔任應用工程師,并于2017年加入ADI公司,為歐洲的眾多市場客戶提供Power by Linear產品組合的設計支持。他擁有利默里克大學計算機工程學士學位。