20世紀90年代以來,隨著個人數據通信的發展,為了實現任何人在任何時間,任何地點均能實現數據通信的目標,無線局域網得到了迅猛發展。
無線局域網(WLAN),通常被稱為Wi-Fi,這是一種可以在9l.44m內進行無線通信的技術。IEEE802.11委員會把孤立使用的無線局域網稱為自組無線局域網(Ad-boc Network),把互連使用的無線局域網稱為多區無線局域網(Infrastructure Network)
無線AP是組建多區無線局域網的常用設備,配置多個接入點AP,就可以構成一個連續的覆蓋區域,可提供移動用戶漫游的能力。同時,它在介質訪問控制子層MAC中扮演無線工作站及有線局域網的橋梁,是一十兩端口的網橋。
1 無線接入點AP的功能描述和系統設計
無線接入點AP(Accss Point)通過一個標準的RJ-45接口用電纜連接到一個傳統的集線器或交換機端口,一個無線接入點可認為是一個中繼器,在有線局域網和無線設備運行的RF之間轉發幀。
當一個站在LAN上發送數據時,接入點以指定的RF和無線幀格式轉發幀,而并不考慮該幀的目的地。同樣,當一個無線設備發送一個幀時,接入點通過所設定運行的RF來接收幀,然后把幀轉發到有線局域網。兩個或者多個無線局域網接入點,將為移動無線設備提供一個接入到有線局域網的無線擴展區域。當建立一個無線局域網接人點時,要配置一個BSS(Basic Service Set)標識符。同樣,也要為那些無線局域網適配卡設定一個區域標識符,其中接入點是為使用適配卡與其連接在一起的無線設備提供服務的。在多個無線接入點構造的一個擴展服務集(ESS,Extended Serice Set)中,通過定位接入點,無線設備就實現了漫游功能,以及通過應用無線局域網接入點服務的能力。一個基本的無線局域網是由一個連接到有限局域網的接入點和使用該接入點的一個或多個無線PC用戶所組成。
基于MPC852T的無線接入點AP由核心板和接口板組成,如圖l所示。核心板集成了摩托羅拉MPC852T處理器,32MB SDRAM以及4MB的Flash,為系統軟件提供了足夠的空間。核心板上還集成了一個l0M以太網口,不僅實現和有線局域網的橋接。還可以實現系統程序的以太網下載,從而燒寫進FIash中。底板上則提供了非常豐富的外設接口:1個10M以太網接口,1個100M以太網接口,1個RS-232接口(COMI),1個BDM調試口(MPC8XX系列的EPBDM),還有1個PCMCIA接口,按入無線網卡,作為無線接入點的RF,實現數據的無線發送和接收。該系統具有體積小,耗電低,處理能力強,網絡功能強大的特點,能夠裝載和運行嵌入式Linux的操作系統,可以在這個系統平臺上進行自主的應用軟件和驅動程序開發。
2 MPC852T功能介紹
在無線接入點A P的設計中,選用了MotoIoraMPC852T處理器。它是Motorola公司的PowerQUICC系列嵌入式通信處理器。PowerQulCC處理器系列廣泛應用于當今市場上的DSL 調制解調器、SOHO路由器、遠程接入服務器、DSLAM、中心局交換機設備、無線基礎設施基站、企業路由器以及媒體網關等領域。
MPC852T PowerQUICC(Quad Integrated CommunicationController)內部集成了微處理器和一些控制領域的常用器件,是一個多用途的通用芯片。它內部集成了微處理器和常用外圍器件,可用于各種控制領域。它應用于通信系統的低成本實現,提供了更高的性價比,并在通信方面有所增強。MPC852 PowerQUICC集成了兩個處理塊,一個處理塊是嵌入的PowerPC核,另一個是通信處理模塊(CPM,C0MMunications processor Module)。由于cPM分擔了嵌入式PowerPC核的外圍工作任務,這種雙處理器體系結構功耗要低于傳統的體系結構的處理器。嵌入式MFC852T內核可達l00MHz,擴展總線最大頻率是66MHz,50/60MHz內核頻率支持l:1模式和2:1模式,80/100MHz內核頻率支持2:l模式。MFC852T系統集成單元主要包括:總線監視器、中斷監視器、軟件看門狗、中斷定時器、時鐘合成器、PowerPC減量器、復位控制器及JTAG1149.l測試口。以上性能理想地適用于各種有線和無線的通信處理任務,極大地滿足了控制層繁重的任務處理及傳輸層高帶寬的要求。

3 核心板的設計
MPC852T是32位地址,32位數據總線寬度,4KB的數據Cache和4KB指令Cache,分別帶有一個MMU,52MHz的主頻,52MbpS的總線速度。若外接8位或l6位數據寬度的外設芯片,與CPU相接時,MPC852T的總線數據寬度是可設置的,可分配為8位、l6位或32位模式。在核心板中,選用了2片16×lbit數據寬度,共4MB的Flash(MX29Lv160BTC,如有不同型號,則是完全兼容的器件),速度70/90ns:2片16M×8bit數據寬度的SDRAM(HY57V651620BTC-10S,如有不同型號,則是完全兼容的器件)構成,共32MB SDRAM。
MPC852T共提供了4個PORT,即PoRTA、PortB、P0rtC和PortD,對應的控制寄存器實現與其它信號引腳的復用。
端口分配使用情況如表l所列。
其中:一個SCC作為10M以太網接口,SMC(和P0rtB GPIO復用)作為兩線串口(TXD,RXD)。核心板未用的,通過核心板接口,引到接口板作為GPl0資源使用。
同時,由1個LED提供1個運行指示.1個l0M局域網接口LINK/TRANSMIT/RECEIVE指示,如圖2所示。
4 底層接口板的設計
底層接口板有1個9V供電插座和1個供電模塊,用的是9V的直流電源,為核心板和接口板提供標準的3.3V和5V電壓。底層接口板還提供了一系列的接口:1個標準RS-232串口,1個標準10M快速以太網接口,1個標準的100M快速以太網接口,1個PCMCIA接口,1個BDM接口。其中,BDM接口和RS-232串口,可用于核心板硬件檢測,映象文件下載,運行,Flash燒寫等。
系統所用的無線網卡是LANEscapeTM XI-325H的無線網卡,PCMCIA接口,2.4GHz直接序列擴頻,高速低功耗,發射功率為20dBm,遵循802.11h協議和Wi-Fi認證,64bit/128bitWEP加密,支持TCP/IP,IPX,NetBEUI的協議,支持1Mbps、2Mbps、5.5Mbps和llMbps的自動傳輸速率選擇,支持Ad-Hoc(對等),Infrastructure(基礎網絡)和Roaming(漫游)的網絡模式,可以實現方便快捷無縫連接以太網和無線局域網。
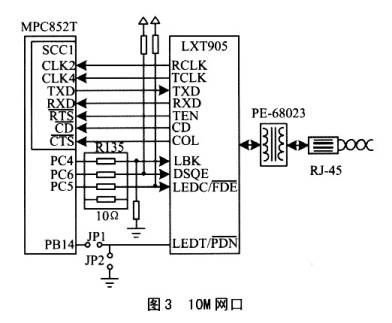
MPC852T的CPM部分的4個SCC均可配置為10M以太網控制器,FEM是10M/100M以太網自適應控制器-通過這些以太網控制器,只需要簡單的線路接口單元就可構成10M以太網口和10M/100M自適應網口。該以太網口符臺IEEE8023規范。實際使用中,MPC852T設置多少個網口,應根據主芯片的運行主頻和接口要求統籌考慮。在50MHz的MPC852T芯片上,實現1個10M網口(采用SCCl實現,如圖3所示)和1個lO/100M自適應網口如圖4所示。

MPC852T中I/O口的引腳幾乎都有多種功能,通過對有關的寄存器進行設置或將某些引腳設置成指定電位,使得有關I/0功能為設計指定功能。由于MPC852T的引腳多,各引腳的功能也多,為了能夠盡快地確定各引腳的功能,可利用摩托羅拉公司提供的引腳功能安排工具,檢查引腳功能上的沖突。
5 無線接入點AP的系統軟件設計
MPC852T是遵照P0werPC結構體系的嵌入式芯片系列,因此可實現多任務操作,并支持多種內存映射方式,完全可以運行實時多任務操作系統,以滿足通信控制設備所要求的實時性。
嵌入式操作系統主要有Palm OS、Windows CE、EPOC、Linux CE、ONX、ECOS、LYNX等。高端嵌入式操作系統要求許多高級功能,如圖形用戶界面和網絡支持,但其價格很高,一般用戶難以接受。嵌入式Linux操作系統以價格低廉,功能強大有易于移植而被廣泛應用。Linux是個和Unix相似,以核心為基礎的,完全內存保護,多任務多進程的操作系統。它支持廣泛的計算機硬件,包括MOTOROLA、X86、Alpha、Sparce、MIPS、PPC、ARM、NEG等。
在移植的Linux源代碼中,根據目標進行半裁減定制,以適合目標系統,盡量少占用系統內存。操作系統定制后.將其連接到目標的應用程序上,成為應用程序的一部分,并對低級系統的初始化文件進行修改,使之符合目標板的需要。對于MPC852T,所有軟件都固化在板上2片Flash內,Flash的內容可通過燒寫工具來更新升級。開發應用程序和更改其上的操作系統工作方式,可以采用一種交叉編譯的開發模式,即為MPC852T應用。它不能直接在MPC823板上編輯、編譯和調試,而必須把工作寄宿到一臺PC機上完成。

一個小型的Linux操作系統需要下面三個基本要素。
①引導工具.它完成系統的一些初始化工作,然后把操作系統調入到內存中,跳到操作系統的入口。
②Linux內核,由內存管理,進程管理和事務處理構成。因為Linux內核支持多種CPU體系,所以修改Linux內核運行到硬件平臺中,不需要太多的工作。
③初始化進程,為Linux系統安裝inetd、telnetd、tftpd、bttpd等守護進程,使得Linux系統成為名副其實的網絡操作系統,可以Telnet遠程管理,可以FTP傳遞文件。
如果系統想成為完整的操作系統,還得加上一個文件系統,硬件驅動程序和提供所需功能的一個或多個應用程序,如1個串口、1個10M以太網接口、1個100M以太網接口、1個BDM調試接口、WLAN無限網卡的驅動程序,802.1lb無線AP以及網關系統軟件,Web Server及TCP/IP協議等應用程序。
6 嵌入式LinuX無線接入點AP的實現
由于嵌入式操作系統硬件資源的限制.要做到實現AP在嵌入式Linux操作系統上的應用,就需要對Linux操作系統進行特別定制,刪除AP不需要的部分,真正做到精簡系統,過程大致可以分成兩個部分。
(1)精簡內核
Linux內核是可以根據特定的要求進行定制的,筆者使用的是嵌入式Linux操作系統3.0for PowerPC版本.在/usr/src/linux目錄下,使用make menuconfig把可以拿掉的項目全部拿掉。如果嵌入式系統沒有軟驅和光驅,則去掉內核中對于軟驅(floppy)及光驅(cdrom)的支持選項;如果AP不需要發聲,則不要聲音(sound)的支持。去掉所有的字符設備(character device)等。
在去除的同時 要根據AP應用軟件及一些特定功能的要求,在內核中留下對需要驅動的支持。例如:要保留對網絡的支持,保留對TCP/IP協議的支持,保留PPP(點對點協議)特定功能的支持。
配置完成后,重新編譯內核,然后修改Linux系統引導器Iilo的配置文件井最后以新編譯的核作為啟動內核。 (2)縮小Llnux的文件系統
嵌入式Linux本身是一種操作系統,它的主要任務是管理計算機的系統資源,為用戶提供使用計算機及外部設備的接口,因此在對Linux進行大幅度刪減縮小的同時,也保留了一些基本的命令和目錄。這些保留的命令和目錄大致可以分成三類:一類是Linux操作系統啟動所需要的,另一類是為了完成一些系統功能的,最后一類是使AP能夠正常工作的。
完成裁減工作后重啟,若Linux能夠正常啟動運行,表明初步的Linux操作系統已構架成功,這樣就要完成AP在此上面的實現。AP是以運行腳本命令pcmcia將AP驅動程序中已經編好的目標文件(.o文件)作為模塊加載到系統中啟動的,Linux提供了depmod、insmod、rmmod以及其它一些命令來保證適當的模塊以正確的順序加載。同時,AP啟動時還要讀取配置文件,所謂配置文件就是方便用戶修改相應的參數,如AP的SSID,AP的信道號等所編制的簡單腳本文件。這些配置文件通知AP驅動程序相關參數的設置。有了這些文件后,AP就能正常啟動了。另外,AP的目標文件在AP關閉后自動卸載掉。
最終實現的AP嵌入式Linux操作系統大概由以下幾個目錄組成。
◇/bin: 包含用戶的使用命令,如cp、Is、rm等,可根據情況對原系統的命令進行刪減。
◇/boot:包含一些壓縮的內核映像和啟動必備的文件。
◇/dev包含系統所需要的設備文件,是Linux設備輸出,輸入所需要的,可以用命令mknod或是makedev來產生。
◇/etc:包含系統所需要的配置文件。
◇/lib包含執行命令所需要的共享庫,命令ldd可以告訴哪些庫可以動態連接在某一個執行命令上,這樣可以將需要的庫拷入。
◇/mnt:此目錄一般為空。
◇/proc:是個空目錄,啟動時內核將系統啟動狀態文件放人此目錄中,是proc文件系統所需要的目錄。
◇/sbin:包含系統命令,如init、getty、reboot等,有 些命令會影響整個系統。
◇/var:包含AP啟動時的一些日志文件。
◇/usr:放入另外一些必要的命令,在目錄/ust/sbin及/usr/bin中。
根據具體的情況進行具體的刪減,最終在4MB存儲容量的巔入式Linux操作系統中完成對無線接入點AP的使用。
結語
在嵌入式Linux操作系統上實現基于MPC852T的無線接入點AP的系統設計,充分發揮了MPC852T的強大控制能力和通信能力,以及Linux操作系統資源調度能力和實時性的特性,使AP具有較高的轉發速率,滿足了用戶的需求,而且構成了一個結構清晰、模塊化、易實現、易使用的嵌入式系統。