黃志剛 龔振華 陶龍泉 江蘇利港電力有限公司
摘 要:根據設備的控制方式,分析了采用光纖傳輸裝置的優越性。詳細介紹了啟動變保護的配置,并說明了控制原理,實踐證明當初的設計構想能滿足運行要求。
關鍵詞:光纖;遠程;傳輸;保護;啟動變;分合閘
1、設備概況
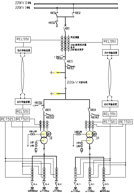
一般新擴建機組的控制室與老廠網控室距離都較遠,在利港電廠新擴建的2臺600MW機組的集控室離220KV網控室有500米,其系統組成如圖1所示。啟動變經220KV交聯電纜及相應斷路器及刀閘連接,以提供新建機組的啟動
電源。
2、設計構想
2.1控制方式:刀閘40031、40032、4003G1、40033、4003 G2、4003G3在220kV網控NCS中控制, 斷路器4003及啟動變就地的刀閘由機組的DCS控制,兩控制室之間的控制電纜有500米。
因此斷路器斷及刀閘的狀態信號應分別進入DCS和NCS中并進行相關設備的分合閘操作。
2.2計算:
根據二次回路電纜芯線導線截面的選擇原則:在操作回路中,應在正常最大負荷下,至各設備的電壓降不得超過其額定電壓的10%
[1][2]。按以下公式計算導線截面
[3]:
其中S為導線截面(平方), 為流過合閘或脫扣線圈的最大電流,A;L為電纜長度,m; Ue為直流額定電壓,⊿U為合閘或脫扣線圈正常工作時允許的電壓損失,取10%;γ為電導系數,銅取57mm/Ω·mm2。每根導線截面至少要取4mm2才能滿足要求。
為滿足NCS及DCS控制要求,需敷設控制電纜傳遞近80個信號。根據二次線相關規定,芯線截面4 mm2及以上時,電纜芯數不宜超過10芯,因此實現控制要求,至少需敷設10根500米8×4的控制電纜,從經濟性方面看顯然是不合適的。
因此,在啟動變保護招標時就考慮了利用光纖遠程傳輸相應的狀態
信息及遠方分合閘。
3、保護配置[4][5]
詳見圖1 所示。

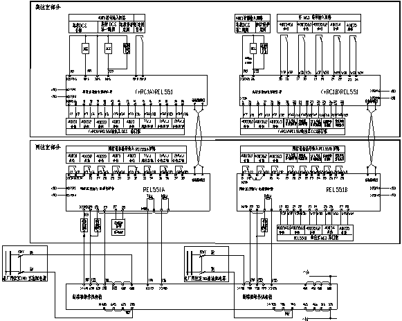
[圖1]
3.1 220kV電纜配置雙套(4只)光纖縱差保護REL551,帶過流保護,實現雙重化。配置2根獨立光纖,且每根光纖有備用芯。
3.2單臺啟動變壓器上配置2套差動保護RET521,實現雙重化,共配置4套差動保護,并在每套差動保護RET521中實現下述保護:啟動變高壓側過流保護、啟動變高壓側零序電流保護、各啟動變低壓側零序電流保護和過負荷調壓閉鎖。
3.3保護安裝:
3.3.1 220kV網控設一面電纜保護屏(+RD2),放置如下裝置:2只光纖差動;220kV斷路器失靈起動回路;220kV斷路器非全相保護;斷路器操作回路監視;其它開關量輸入及輸出回路;
3.3.2啟動變的其它保護放置在集控室,分A、B、C三個屏,電氣保護由A(+RC2A)、B屏(+RC2B)實現,A、B屏構成雙重化,C屏(+RC2C)為非電量保護屏。

[圖2 光纜連接示意圖]
4、光纖傳輸及控制
4.1光纖傳輸
啟動變保護A柜(+RC2A)至220kV網控的電纜保護屏(+RD2)設2根光纜。一根為單模4芯光纜,專用于REL551之間;另一根為多模10芯光纜,用于傳輸NCS、DCS控制所需的信號。
啟動變保護B柜(+RC2B)至220kV網控的電纜保護屏(+RD2)同樣設2根光纜。一根為單模4芯光纜,另一根為多模4芯光纜,用途同上。
光纜連接圖見圖2,傳輸的信號詳見圖3。在傳輸信號時應考慮均勻分配到兩根光纜中,且將合閘和跳1線圈的信號與跳2線圈的信號分開。
光纖傳輸裝置,其從輸入到輸出的轉換的典型時間為8ms,對于在2km左右的光纖,信號傳輸延遲0.01ms,因此完全滿足跳閘要求。同時光纖傳輸裝置具備通道監視及裝置故障告警功能。
4.2控制原理[2,6]
詳見圖3。

4.2.1 DCS控制
DCS控制對象包括4003斷路器、及啟動變就地的刀閘40034、40034G1、40035、40035G1、4003
5G2。因此依靠光傳輸裝置將斷路器本體的狀態
信息(如SF6氣體壓力低報警、合閘彈簧已儲能、電機回路斷
電信號)及母線刀閘40031、40032、40033、4003G1、4003G2和4003G3的位置信號,遠傳到集控室的啟動變保護柜的,并送到DCS中,完成相應控制、閉鎖及狀態監視要求。
4.2.2 NCS控制
NCS控制對象包括刀閘40031、40032、40033、4003G1、4003G2和4003G3,為完成對刀閘40034、40034G1、40035、40035G1、4003
5G2的狀態監視,利用光傳輸裝置將以上
信息遠傳到NCS中,同時將啟動變保護動作信號送到NCS中并遠傳到省調。
4. 3其它說明
4. 3.1 220kV電纜故障,兩側的光纖差動保護同時動作,網控室的REL551跳220kV側斷路器,單控室的REL551跳6kV側的6個分支斷路器。
4.3.2 啟動變保護A屏中的RET521(3A)和RET521(3B)的220kV跳閘信號并接后,送至本屏的REL551,通過光纖遠傳至對側跳開220kV斷路器并起動失靈。啟動變保護B屏同A屏。
4.3.3 220kV斷路器失靈保護收到跳閘信號后瞬時重跳本開關,如果故障仍存在,REL551判別失靈后,可分別經150ms和200~300ms延時將跳閘信號送至老廠母差保護屏。
5、結論
在啟動變保護配置中,為了實現遠方控制,有效結合光纖縱差保護,利用光纖傳輸了NCS和DCS完成相應控制的狀態信號,一方面大大節約了電纜敷設的成本,另一方面有效提高了控制的可靠性。實踐驗證是合理和成功的。
參考文獻:
[1]GB 50062-1992電力裝置的繼電保護和自動裝置設計規范.
[2]DL/T 5136-2001 火力發電廠、變電所二次接線設計技術規程.
[3]楊秀昌. 實用電氣安裝技術大全. 中國建材工業出版社, 1998年.
[4]國電調[2002]138號國家電力公司文件《“防止電力生產重大事故的二十五項重點要求”繼電保護實施細則》
[5]國電發[2000]589號國家電力公司文件《防止電力生產重大事故的二十五項重點要求》
[6] DL/T 688-1999 電力系統遠方跳閘信號傳輸裝置