2.浪涌電壓吸收器
對于,浪涌噪聲的抑制常用浪涌吸收器進行吸收,常用的浪涌吸收器有:
2.1.氧化鋅壓敏電阻
氧化鋅壓敏電阻是以氧化鋅為主體材料制成的氧化鋅壓敏電阻,其電壓非線性系數高,容量大、殘壓低、漏電流小、無續流、伏安特性對稱、電壓范圍寬、響應速度快、電壓溫度系數小,且具有工藝簡單、成本低廉等優點,是目前廣泛使用的浪涌電壓保護器件。其適用于交流
電源電壓的浪涌吸收、各種線圈、接點間浪涌電壓吸收及滅弧,三極管、晶閘管等電力電子器件的浪涌電壓保護。
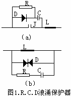
2.2.R、C、D組合浪涌吸收器
R、C、D組合浪涌吸收器比較適用于直流電路,可根據電路的特性對器件進行不同的組合,如圖1(a)適用于高電平直流控制系統,而圖1(b)中采用齊鈉穩壓管或雙

向二極管,適用于正反向需要保護的電路。
2.3.瞬態電壓抑制器TVS(Transientvoltagesuppressor)
當TVS兩極受到反向高能量沖擊時,它能以10
-12s級的速度,將其兩極間的阻抗由高變低,吸收高達數千瓦的浪涌功率,使兩極的電位箝位于預定值,有效地保護
自動化設備中的元器件免受浪涌脈沖的損害。TVS具有響應時間快、瞬態功率大、漏電流低、擊穿電壓偏差小、箝位電壓容易控制、體積小等優點,目前被廣泛應用于電子設備等領域。
2.3.1.TVS的特性

TVS的正向特性與普通二極管相同,反向特性為典型的PN結雪崩器件。圖2是TVS的電流—時間和電壓—時間曲線。在浪涌電壓的作用下,TVS兩極間的電壓由額定反向關斷電壓
VWM上升到擊穿電壓
Vbr而被擊穿。隨著擊穿電流的出現,流過TVS的電流將達到峰值脈沖電流Ipp,同時在其兩端的電壓被箝位到預定的最大箝位電壓
Vc以下。其后,隨著脈沖電流按指數衰減,TVS兩極間的電壓也不斷下降,最后恢復到初態,這就是TVS抑制可能出現的浪涌脈沖功率,保護電子元器件的過程。
2.3.2.TVS與壓敏電阻的比較
目前,國內不少需要進行浪涌保護的設備上應用壓敏電阻較為普遍,TVS與壓敏電阻性能比較如表二所示:
|
參數 |
TVS |
壓敏電阻 |
參數 |
TVS |
壓敏電阻 |
|
反應速度 |
10-12s |
50×10-9s |
反向漏電流 |
5µA |
200µA |
|
是否老化 |
否 |
是 |
箝位因子Vc/Vbr |
不大于1.5 |
最大7—8 |
|
最高使用溫度 |
1750C |
1150C |
封閉性質 |
密封 |
透氣 |
|
器件極性 |
單雙極性 |
單極性 |
價格 |
較貴 |
便宜 |
3.綜合浪涌保護系統組合
3.1.三級保護
對于自動化控制系統的所需的浪涌保護應在系統設計中進行綜合考慮,針對自動化控制裝置的特性,應用于該系統的浪涌保護器基本上可以分為三級,對于
自動化控制系統的供電設備來說,需要雷擊電流放電器、過壓放電器以及終端設備保護器。數據通信和測控技術的接口電路,比各終端的供電系統電路顯然要靈敏得多,所以必須對數據接口電路進行細保護。
自動化裝置的供電設備的第一級保護采用的是雷擊電流放電器,它們不是安裝在建筑物的進口處,就是在總配電箱里。為保證后續設備不承受的剩余殘壓太高,所以必須根據對保護范圍的性質,安裝第二級保護。在下級配電設施中安裝過電壓放電器,作為二級保護措施,作為第三級保護是為了保護儀器設備,采取的方法是,把過電壓放電器直接安裝在儀器的前端。
自動化控制系統三級保護布置如圖3所示;在不同等級的放電器之間,必須遵守導線的最小長度規定。供電系統中雷擊電流放電器與過壓放電器之間的距離不得小于10m,過壓放電器同儀器設備保護裝置之間的導線距離則不應低于5m。
3.2.三級保護器件
3.2.1.充有惰性氣體的過電壓放電器,是
自動化控制系統中應用較廣泛的一級浪涌保護器件。充有惰性氣體過電壓放電器,一般構造的這類放電器可以排放20 kA

(8/20)微秒或者2.5kA(10/350)微秒以內的瞬變電流。氣體放電器的響應時間處于毫微秒范圍,其被廣泛的應用于遠程通信范疇。該器件的一個缺點是它的觸發特性與時間相關,其上升時間的瞬變量同觸發特性曲線在幾乎與時間軸平行的范圍里相交。因此保護電平將同氣體放電器額定電壓相近。而特別快的瞬變量將同觸發曲線在十倍于氣體放電器額定電壓的工作點相交,也就是說,如果某個氣體放電器的最小額定電壓90V,那么線路中剩余的殘壓可高達900V。它的另一個缺點是可能會產生后續電流。在氣體放電器被觸發的情況下,尤其是在阻抗低、電壓超過24V的電路中會出現下列情況:即原來希望維持幾個毫秒的短路狀態,會因為該氣體放電器繼續保持下去,由此引起的后果可能是該放電器在幾分之一秒的時間內爆碎。所以在應用氣體放電器的過電壓保護電路中應該串聯一個熔斷器,使得這種電路中的電流很快地被中斷。
3.2.2.壓敏電阻,壓敏電阻被廣泛作為系統中的二級保護器件,因壓敏電阻在毫微秒時間范圍內具有更快的響應時間,不會產生后續電流的問題。在測控設備的保護電路中,壓敏電阻可以用于放電電流為2.5kA~5kA(8/20)微秒的中級保護裝置。壓敏電阻的缺點是老化和較高的電容問題,老化是指壓敏電阻中二極管的P-N部分,在通常過載情況下,P-N結會造成短路,其漏電流將因此而增大,其值的大小取決于承載的頻繁程度。其應用于靈敏的測量電路中將造成測量失真,并且器件易發熱。壓敏電阻大電容問題使它在許多場合不能應用于高頻
信息傳輸線路,這些電容將同導線的電感一起形成低通環節,從而對信號產生嚴重的阻尼作用。不過,在30kHzA以下的頻率范圍內,這一阻尼作用是可以忽略。
3.2.3.抑制二極管,抑制二極管一般用于高靈敏的電子回路,其響應時間可達微微秒級,而器件的限壓值可達額定電壓的1.8倍。其主要缺點是電流負荷能力很弱、電容相對較高,器件自身的電容隨著器件額定電壓變化,即器件額定電壓越低,電容則越大,這個電容也會同相連的導線中的電感構成低通環節,而對數據傳輸產生阻尼作用,阻尼程度與電路中的信號頻率相關。