摘 要: 介紹了一種基于單片機的新型醫用呼叫對講系統,用于醫護人員與病人及時通信。該系統主、分機均以PIC 系列單片機為核心,采用電源載波技術,利用系統的二芯電源線,實現語音信號與控制信號的共線傳輸。該系統具有主機實時處理分機呼叫請求,撥號呼叫分機,顯示和記錄病床呼叫等功能,滿足了醫院進行遠程監護的需要。實際使用表明,該系統可靠性高,功耗低,安裝方便,具有很強的實用價值。
醫用呼叫系統是病員需要獲得護理或診斷時發出請求的呼叫工具,可將病員的請求快速傳達給值班醫生或護士,是提高醫院護理水平的必需設備之一。它作為病員與護士及醫生之間聯系的橋梁,正日益顯現出其實用性和優越性。它在提升醫院的綜合水平,提高服務質量和服務效率,解決因陪護引起的醫患矛盾等方面扮演了相當重要的角色。早期的醫用呼叫系統大多采用集中式結構,各個病房單獨通過信號電纜和護士室相連,此類系統具有成本高、安裝調試困難、故障率較高等缺點。
本文介紹了一種新型的呼叫系統,主機與病房分機均采用PIC 系列單片機實現,主機和分機之間不采用計算機通信口連接,而是采用電源載波技術,通過主機向各分機提供的電源線實現數據通信和語音通信。整個系統安裝簡單、維護方便,大大提高了該裝置的實用性。
1 系統總體設計
系統由主機、分機、顯示和操控4 部分組成,電話和一覽表上的按鈕為控制的輸入部分,主機和病員一覽表顯示窗安裝在病區護士站,LED 顯示屏安裝在走廊,分機分別設置在病房的各個床頭,結構框圖如圖1 所示。
一旦病房床頭有人按呼叫按鈕,護士站的主機就發出鈴聲或者電話響鈴,同時,走廊顯示屏同步顯示呼叫床位號,護士人員便可以立刻趕往病房處理緊急情況。

圖1 系統結構框架圖
系統采用主機集中供電的方式和電源載波技術,通過主機與各分機、電子顯示屏連接的電源線提供電源,同時通過供電電纜實現主機與分機的半雙工數據通信及全雙工語音通信,主機和電子顯示屏之間實現單工數據通信。系統可24 小時連續工作,并具有靜電保護和雷電保護功能。
系統采用一個主機,多個分機,主機與分機用二線制方式通信,各分機分別掛接在總線上,由主機提供電源。每個分機具有惟一的地址編號,與主機通信時均以此號碼識別。主機呼叫分機時喚醒所有分機,通過總線發送分機地址編碼,分機將收到的地址碼與自身的地址碼比較,只有相同的分機才啟動通話電路,不相同的都不作響應。分機呼叫主機,主機將收到的分機號通過DTMF 方式送給電話進行響鈴和顯示來電,并同時送給顯示模塊,主機摘機即可實現通話。各分機只有在呼叫或者被查詢時才被喚醒,總線上才會有數據傳輸,不進行通信時處于"睡眠"狀態,實現節能效果。
2 呼叫系統硬件設計
2. 1 主機硬件設計
主機主要包括主控制板、顯示設備、電話機、電源,功能框圖如圖2 所示。

圖2 主機硬件框圖
主控制板的需要完成以下功能: 信號收發、信息顯示、信息存儲。根據需求分析,主控CPU 必須功能強大、資源豐富。在此選擇了Microchip 公司的PIC16F877A,其具有高性能RISC CPU ,10 位多通道數/ 模轉換,,所有GPIO 引腳都具有引腳上電平變化觸發中斷的功能,以及128 B 的數據E2 PROM 存儲器。
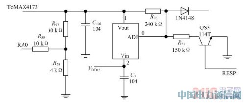
當主分機識別到起始信號,就會觸發中斷收碼,圖3 為主機發碼電路。當主機發送信號時,由RESP 腳控制三極管QS3 的導通和截止,以控制總線電壓的高低變化。圖4 是主機收碼電路,分機發給主機的信號,經整形放大以后,送入鎖相環LM567 調制成PIC16F877A 能識別的電平信號。LM567 通過5,6 引腳外接的定時元件Rt 、Ct 設定中心頻率,關系式為:f 0 ≈1/ ( 1. 1RtCt ) ,工作頻率可在0. 01 Hz~ 500 kHz范圍內連續變化。系統設定中心頻率為100 kHz,第8 腳接877A 的RB7,RB 口的引腳具有電平觸發中斷功能,當第3 腳輸入100 kHz 的信號時,第8 腳輸出低電平觸發877A 中斷開始收碼,平時第8 腳保持為高電平。

圖3 主機發碼電路

圖4 主機收碼電路
2. 2 分機硬件設計
分機的CPU 選用PIC 系列的PIC12F629,采用此單片機,一是為了降低成本,減小分機體積; 二是為了降低分機功耗 。功放選用的是內置補償型低噪聲雙運算放大器NE5532,分機框圖如圖5 所示。

圖5 分機結構框圖
分機不分正負極地掛接到總線上,由主機供電,當無信號傳輸時,總線上電壓為9 V 直流,經由三極管構成的串聯穩壓電路后,為分機芯片提供5 V 的穩定電壓。當總線處于空閑狀態時,各分機處于休眠狀態,此時分機上三極管Q6 處于截止,使得運放NE5532 處于掛斷狀態,每個分機的功耗很小,當總線上掛有較多分機時,總線上流過較小的靜態工作電流,確保系統正常工作。L1 為紅、綠雙色燈,用于指示分機狀態,分機休眠時L1 熄滅。主機呼叫分機。分機的引腳GP0 為下行呼叫信號的接收端,當CIN 腳收到起始信號時被喚醒,然后判斷起始信號是否有效,若有效便開始收碼。
若滿足接通條件,CLKIN 腳輸出為高電平,三極管Q6處于飽和導通狀態,給運放NE5532 供電,則該分機處于對講狀態。否則GP2 保持低電平,三極管處于截止狀態,該分機會回到休眠狀態。分機呼叫主機。按下床頭或者手柄上的按鈕,分機CPU 由GP4 引腳輸出呼叫信號,經Q5 放大后耦合至總線,分機等待應答同時L1發綠光; 主機應答后,GP5 輸出高電平,三極管處于飽和導通狀態,NE5532 進入工作狀態,L1 發紅光表示,表示該分機處于對講狀態。當分機處于與主機對講狀態,下行的音頻信號通過總線,經運放放大后驅動分機揚聲器發聲。上行的語音信號,經運放放大后,通過三極管Q7 耦合到系統總線上。
3 通信方式與傳輸協議
目前市場上有的呼叫系統采用CAN 總線協議,使用帶CAN 通信模塊的MCU,但是此類MCU 一般價格比較昂貴; 還有的采用DTMF( 雙音多頻) 傳輸協議,即使用DTMF 信號編解碼芯片,主分機發送DTMF 信號來通信,即主機機均使用DTMF 信號編解碼芯片,也存在著成本偏高的問題。因此該系統的設計,在考慮通信穩定的原則上,只在主機電路上使用DTMF 信號編解碼芯片,編寫通信協議,通過增加軟件設計的復雜程度,合理地降低產品成本。
3. 1 分機發碼方式
分機發碼采用100 kHz 的方波,由單片機GPIO4引腳輸出并經三極管耦合至總線。分機呼叫時發送一定時長的方波,如圖6 所示,分機回復主機的信號是間隔性的方波,如圖7 所示。

圖6 分機呼叫信號示意圖

圖7 分機應答信號示意圖
3. 2 主機發碼方式
主機發碼采用變長占空比發送碼元,其中1 :1 的占空比表示0 碼元,而若占空比為3 :1 則表示碼元1,主機發碼示意圖如圖8 所示。
3. 3 通信協議
為保證通信過程的可靠性,特制定如下通信協議:主機發碼數據格式規定為: 控制命令+ 分機地址,每次發送11 位數據,其中bit11~ bit9 為是命令碼,低字節為指定分機的號碼。主機發碼時,先發起始信號,分機識別到起始信號后開始收碼。分機的號碼存儲在各自E2PROM 里,初始值均設為0,主機可對其在線編碼,收到主機的改號命令,所有分機的LED 指示燈點亮,提示用戶按鍵,修改成功后將返回主機一個確認信號,否則將超時退出而不作處理。分機只有在主動呼叫或識別到主機的起始信號后才被喚醒,平時處于睡眠狀態,因此極大地節省了功耗。

圖8 主機發碼示意圖
主機查詢時,每查詢一個分機后,都先檢測是否有摘機,若摘機將會執行摘機流程。所有分機的忙標志從剛開始查詢時就會被置位,此不允許分機呼叫時再發碼,此時分機呼叫主機仍能檢測到,只是總線上沒有方波傳輸,因此保證了通信的穩定性。
主、分機進行語音通信時,其他分機仍可以發出呼叫,由于請求信號的方波是100 kHz,而語音頻率范圍為0. 3~ 3. 4 kHz,主機在電話掛機的狀態下才查詢呼叫的分機,不會便相互干擾,因此語音信號和數字信號可以同時在總線上傳輸。分機呼叫時發送100 kH z 方波到總線,主機由收到電路檢測到低電平,觸發中斷進行收碼,然后主機將先屏蔽此呼入中斷,再開始按病床護理等級的高低依次查詢,若查詢到該分機,就回復應答信號,沒有呼叫的分機不做應答。查詢完以后恢復呼入電平中斷,并發送命令通知分機復位的忙標志位。
4 主分機軟件設計與實現
4. 1 工作流程
系統主機、分機通信軟件主要包括發送和接收2 部分,分發送模塊和主機收碼流程分別如圖9 和圖10 所示。每個分機需包含分機地址碼,廣播機標志位,這些信息均存儲在E2PROM 中,當第一次啟動分機后,寫入初始值,以后只從指定地址讀取分機信息。地址分配如表1 所示。

表1 分機E2 PROM分配
為了保證發碼的準確性,使波形更加精確,在發碼模塊采用了匯編語言提高,并通過參數控制發碼周期,發送100 kH z 的方波,精確到微秒級,經實驗測得頻率誤差小于5%。收碼均用定時器讀取。由于主機采用變長編碼,因此分機解碼過程需要根據協議進行1 或0門限判決; 主機解碼主要由鎖相環集成芯片LM567 完成,加上分機回復碼只分有無回復二種。

圖9 分機流程圖

圖10 主機收碼流程
4. 2 系統穩定性
此系統很好解決了呼叫與請求總線的沖突,由于主機總是從1 號分機查詢到最后一個,主機在查詢時分機都不能發100 kHz 的方波,因此總線不會受到干擾,誤碼率大大降低,且不會遺漏分機請求,即使出現100 個分機同時呼叫這種極端情況,主機也能一一響應。主機采用變長編碼,分機用碼時采用定時器讀取,配以計數的狀態機,使CPU 能準確解碼,而且能夠消除毛刺帶來的影響,保證了收碼的準確性。主機和分機在主循環中同樣采用狀態機,用全局變量在各狀態間切換并用變量及標志位控制,合理地分配CPU 資源,能夠及時處理最緊急事件 。主機電話掛機還能復位輸入的變量,即使操作失誤,仍能通過掛機來取消。
5 結 語
該系統采用載波技術,實現了兩線無極性連接,使安裝施工變得十分簡單。分機采用低功耗穩壓電源和PIC 單片機,使分機具有較低功耗,從而系統具有較好的擴展性。主機與分機通信距離大于等于1 000 m,分機數大于等于100,能滿足各種規模醫院的要求,并預留了接口與PC 進行通信。在通信穩定的基礎上,使用了經濟實惠的芯片,具有安裝布線簡單,便于檢測維修,節約設計成本等優點。本文研發的樣機已經經過實驗運行驗證了其有效性和實用價值,并已投入小批量試生產,具有良好的推廣應用前景。