摘要:介紹了SIEMENS公司的GSM網絡專用模塊TC35I和藍牙無線數據通信芯片nRF401的特點,并在GSM無線通信網絡環境下進行二次開發,初步實現了高速公路免停車智能收費系統。
國內高速公路發展迅速,公路等級在提高,通車里程在延伸,但是高速公路的收費系統卻成為高速公路發展的一個瓶頸。目前高速公路收費系統大部分還是停留在根據鈔票面額大小進行找“零”的停車收費模式。對管理者而言,浪費了人力、物力,增加經營成本;對消費者而言,浪費了寶貴的時間,阻礙了高速公路的高效率通告。GSM通信網絡已非常普及,在國內基本達到了無縫覆蓋。GSM無線網絡系統運行可靠,其加密技術已非常成熟。利用GSM網絡專用模塊TC35I、藍牙無線數據通信芯片NRF401及微處理器進行綜合開發,完成了高速公路沒有收費站、免停車驗證的智能收費系統的初步設計和實驗。
1 系統工作原理
系統主要由兩大部分構成:一是車載系統,其結構框圖如圖1所示;二是高速公路入口處的固定基站和出口基站系統,其結構框圖如圖2所示。

1.1 車載系統
車載系統由一個具有收發短信功能的GSM網絡專用模塊MC35I、一個單片機控制系統和一個基于藍牙技術的無線數據通信電路組成。微處理器通過電路以19.2kb/s的速率與GSM模塊TC35I相聯接,調用手機的國際移動識別碼和手機號碼,并自動填入身份識別信息中。無線數據通信信電路通信距離大于100米,在車輛以40km/h的速度通過公路出入口時,保障在1~3秒內完身份驗證和收費通信。
單片機控制系統在上電并完成初始化后始進入待命狀態,無線數據通信則處于接收狀態。當收到基站的指令后,便對收到的信息進行分析。若是高速公路入口,則將入口信息及收費編號存儲于內部的EEPROM內,并發出加密的身份識別信息;若為出口,則將入口相關信息及身份識別信息一起發送給出口基站,出口基站對收到的信息一一驗證,并返回驗證結果及收費信息。最后通過GSM網絡收到由高速公路管理系統委托發送的收費中心的收費短信。系統完成數據交換后,無線數據通信電路則進入短暫的休眠狀態,并保持五分鐘,避免重復接收入口信息或影響后續車輛的無線通信。
1.2 高速公路出入口固定系統
固定系統分為出口基站和入口基站,物理結構基本一樣,功能上有所區別。在入口部分,首先通過CCD對即將進入高速公路的車輛的車型進行驗證,確定收費價位;然后通過無線數據通信系統發出指令,驗證車輛是否具備自動交費系統。在接收到機動車內系統的應答并確定該車具備自動交費功能之后,將車輛特征信息、“身份”驗證信息及該車的自動收費編號通過調制解調器及固定電路網通知各個出站口的收費系統;同時通過無線數據通信傳送到車載系統,以供出站時驗證。在車輛放行后,通過電話網驗證該車是否具備交費能力。如果某個車具備自動交費能力或欠費,各個路口的無線系統都將跟蹤這個車的行蹤,并及時將信息反饋到呼個執勤站點,通過執勤人員強制收費。
各出口固定基站系統首先通過CCD探知有車到來,在達到無線通信有效范圍之內時,啟動無線通信系統,接收到該車的入口信息、收費編號、車型及身份識別信息后,與由入口系統通過有線網絡傳送來的信息進行比較,如果一切正常,則開啟門檻,放行通過,通知收費中心收費并發送收費短信。收費短信內容包括日期、車型、人口及時間、出口及時間、距離總長等信息。反之,則必須通過執勤人員收費,通過人工操作放行。
2 主要元件選擇及接口電路設計
2.1 無線數據通信電路
無線數據通信電路主要擔負機動車輛與固定基站系統進行近距離的無線數據交換任務。由核心芯片nRF401及其附屬元件組成。NRF401是雙信道、高性能、低功耗的專用無線通信芯片,工作頻率為433.93/434.33MHz,工作電壓為3.3V,最高通信速率為20kbps,可以直接與單片機串口相接,進行異步通信,實現數據發送和接收,無需對數據進行編碼。數據輸入端DIN與單片機的TXD端相接,數據輸出DOUT端與單片機的RXD端相接。在本電路中,通信速率設計為19.2kbps。電路原理如圖3所示。

2.2 GSM通信模塊
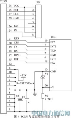
GSM通信模塊采用SIENENS的TC35I。TC35I是SIEMENS公司專為GSM通信設計的專用模塊,具有語音、數據、傳真和點對點短信功能,工作于EGSM 900和GSM 1800頻段,重僅10g,在3.5~4.8V范圍內均能正常工作,對AT Commands Interface Version 8.5所定義的主要指令都能很好地執行,另有擴展指令20多條。
TC35I接口由40芯電費組成,其中1~5腳接電池的“+”端,6~10腳接電池的“-”端,11~12腳為直流電源輸入端,可輸入8~20V/500mA的直流電,內部有自動充電控制電路。15腳IGT為模塊開機控制,31腳EMERGOFF為關機控制,都是低電平有效,也可以通過命令實現開關機。17腳為振鈴輸出,18腳RX為串行數據輸出,19腳TX為串行數據輸入,32腳為工作狀態指示燈輸出,24~29腳接SIM卡。與微處理器的接口電路如圖4所示。通信速率為19.2kbps。

TC35I的全部指令可以從SIEMENS的網站上下載。
2.3 CPU控制電路
車載用戶移動交費系統由低成本的AT89C4051單片機組成,工作電源3.3V,基站由高速、高性能的77E58-40單片機完成無線數據通信與身份驗證功能,CCD車型識別由另外的獨立處理單元完成。
3 軟件實現
微處理器部分軟件采用C51編寫,全部模塊化結構。車載部分主要完成身份識別和交費功能,并與基站進行信息交換,主程序框圖如圖5所示;入口基站主程序框圖如圖6所示;出口基站與入口相似,不再列出。

應用GSM的高速公路自動收費系統運行成本低、信息加密系統可靠、方便快捷,有著廣泛的應用前景和市場。但是構成一個完整的收費系統,目前還有許多需要完善的地方。