摘要:結合GPRS技術提出了一種大型LED顯示系統設計方案,可以通過手機或者其他信息平臺向該系統發送信息控制工作,以實現遠程控制。該系統結構簡單穩定,操作方便靈活,環境適應能力強,價格低廉,具有廣泛的應用前景。
LED顯示屏是上世紀80年代后期在全球迅速發展起來的新型信息傳播媒體,是集微電子技術、光電子技術、計算機技術、信息處理技術于一體的大型顯示系統。它以其色彩鮮艷、動態范圍廣、亮度高、壽命長、工作性能穩定而日漸成為顯示媒體中的佼佼者,廣泛應用于廣告、證券、信息傳播、新聞發布等方面,是目前國際上較為先進的宣傳顯示媒體。本文提出一種基于GPRS和I2C總線結構的大型LED顯示屏系統的設計方法,該系統首先允許客戶在上位機對要顯示的數據和圖像進行處理,然后用GPRS模塊發送信息,遠程分布的GPRS模塊接收遠程控制和信息的內容,經過CPU單元處理后,通過I2C總線控制信息在各個終端的顯示。系統中大型LED顯示屏顯示點陣為320×256像素,劃分為32個顯示模塊,其中每個顯示模塊中的顯示屏為長方形,含160×16個像素,由40個8×8的LED點陣塊組合而成。
1 系統總體方案
該數據顯示系統主要由上位機軟件管理模塊、GPRS的發送和接收模塊、LED顯示終端等部分組成,該系統框圖如圖1所示。上位PC機功能為接收用戶輸入信息,將其通過RS-232串口發送給GPRS的發送和接收模塊進行數據的傳輸。上位機管理模塊是用戶和該系統進行直接交流的平臺,用戶通過PC上位機管理軟件輸入要在LED點陣屏顯示的文字和命令以及各種圖像,可以選擇靜止、從下向上移、從右向左移、閃爍等顯示方式,也能改變字體和移動速度等。遠程的GPRS的發送和接收模塊主要的功能是將接收到上位機的信息,及時準確地傳送到希望的顯示終端,本設計主要是通過I2C總線傳送給各個顯示終端。顯示終端由多塊LED點陣屏模塊組成,每塊點陣屏模塊有16×160點陣,可以顯示10個16×16點陣漢字。本系統采用I2C總線進行控制單元和每個顯示終端的通信,LED點陣屏模塊由MSP430F169單片機控制,能接收自身地址數據并控制顯示。

圖1 系統的結構框圖
2 系統硬件設計
該數據采集系統硬件包括上位機通信接口模塊、GPRS的發送和接收模塊、終端顯示模塊、終端數據處理單元。下面主要介紹GPRS的發送和接收模塊和終端顯示模塊的設計。
2.1 GPRS的發送和接收模塊設計
2.1.1 GPRS發送模塊
本系統選用的GSM模塊是西門子的TC35I模塊,這款無線模塊是一個支持中文短信息的工業級的GSM模塊,工作在EGSM900和GSM1800雙頻段,電源范圍為直流3.3~4.8V,電源消耗:休眠狀態時為3.5mA,空閑狀態時為25mA,發射狀態為300mA、2.5A峰值;可以輸出語音和數據信號,功耗在EGSM900和GSM1800分別為2W和1W,通過接口連接器和天線連接器分別連接SIM卡讀卡器和天線。SIM電壓為3V/1.8V,TC35I 的數據接口通過AT命令可以雙向傳輸指令和數據,可選波特率為300b/s~115kb/s,自動波特率為1.2kb/s~115kb/s;支持TEXT和PDU格式的SMS,可通過AT命令或關斷信號實現重啟和故障修復。TC35I模塊主要由供電模塊、閃存、ZIF連接器、天線接口等6部分組成,作為TC35I的核心,基帶處理器主要處理GSM終端內的語音和數據信息,并涵蓋了蜂窩射頻設備中的所有模擬和數字功能。
2.1.2 GPRS數據接收模塊
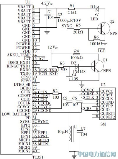
本系統主要是應用GPRS模塊與單片機進行數據傳輸,因此涉及的硬件主要是單片機和GPRS模塊,本文GPRS模塊選用西門子的TC35I,而單片機選擇的是TI公司一種具有超低功耗、功能強大的16bit單片機MSP430F169 。由于該模塊電源引腳有5個,且電壓都是3.3~4.8V,因此本設計將5個引腳連在一起,直接接到外部4.2V電源上。但是本系統的外部電源是12V的直流電流,所以設計時采用LM2941穩壓為4.2V.GPRS模塊上的引腳IGT主要是用于點火復位,其作用是作為GPRS模塊的一個復位轉換系統,加電后為使TC35I進入工作狀態,必須給IGT加一個大于100ms的低脈沖,電平下降持續時間不可超過1ms,這里通過RC電路來實現。TC35I的第32腳SYNC引腳有兩種工作模式,一種是指示發射狀態時的功率增長情況,另一種是指示TC35I的工作狀態,可用AT命令AT+SYNC進行切換,本模塊使用的是后一種。GPRS模塊和單片機之間的數據通信主要是通過端口TXD0與TXD之間、RXD0與RXD之間的數據傳輸來完成。其中,GPRS模塊上的TXD0口用于接收從單片機傳來的數據,而單片機上的TXD端口用于向GPRS模塊傳送數據。GPRS模塊上的RXD0口用于向單片機發送數據,單片機的RXD口則用于接收從GPRS模塊傳輸來的數據。在TC35I的基帶處理器上有一個綜合SIM接口,該接口直接接線到主機接口(端到端連接器),用于連接到外部的SIM卡座。本系統接的SIM卡有CCCLK、CCVCC、CCIO、CCRST、CCIN、CCGND 6個引腳,分別對應接在TC35I的第1~第6個引腳上。模塊的連接器和SIM卡座的引腳之間的距離不要超過20cm,為了達到最佳的效果,在SIM支架下敷設一層銅隔離網,該層敷銅與SIM卡的CCGND引腳相連。、
CCVCC和CCGND之間的兩個電容要離引腳盡量近,并且走線盡量阻抗低,以滿足規范要求。MSP430F169單片機的振蕩器的晶振為11.0592MHz,數據傳輸率設置為9600b/s,復位鍵RESET為高電平時復位。GPRS數據傳輸模塊硬件部分的電路原理圖如圖2所示。

圖2 GPRS數據傳輸模塊電路圖
2.2 終端顯示模塊設計
2.2.1 I2C總線
本系統選用的是通過I2C總線進行數據處理單元和終端顯示模塊進行通信。I2C(Inter-Integrated Circuit)總線是一種由PHILIPS公司開發的兩線式串行總線,用于連接微控制器及其外圍設備。I2C總線是用2根雙向I/O信號線(串行時鐘線SCL和串行數據線SDA)把多種器件連接起來,并實現器件之間的串行通信。I2C總線最主要的優點是其簡單性和有效性。由于接口直接在組件之上,因此I2C總線占用的空間非常小,減少了電路板的空間和芯片管腳的數量,降低了互聯成本。MSP430F169內部集成有2個16bit定時器,1個高速12bit A/D轉換器,12bit或8bit的雙重D/A轉換器,2個通用同步/異步通信接口和1個I2C模塊。本文即利用I2C模塊來對MSP430F169單片機進行擴展。
2.2.2 驅動電路
LED顯示屏驅動電路設計根據驅動芯片的選擇不同有著很大差異。LED驅動芯片可分為通用芯片和專用芯片兩種。通用芯片是指其芯片本身并非專門為LED而設計,而是一些符合LED顯示屏邏輯功能需求的芯片(如串、并移位寄存器)。通用芯片一般用于LED顯示屏的低檔產品,如戶內的單色屏、雙色屏等。專用芯片是指按照LED發光特性而專門設計用于LED顯示屏的驅動芯片。LED是電流特性器件,即在飽和導通的前提下,其亮度隨著電流的變化而變化,而不是靠調節其兩端的電壓而變化。因此專用芯片一個最大的特點就是提供恒流源。
本系統采用行掃描方式,行選通電路由集成電路74HC154構成。74HC154是4線-16線高性能譯碼器,在點陣屏幕不大的情況下,一般的單片機可以直接驅動點陣LED的亮滅,但是考慮擴展為大屏幕尺寸時,因單片機的I/O口不足以提供足夠的驅動電流,但可在74HC154和點陣的行接口接上一個PNP型8550三極管開關電路用來提供足夠的電流,當74HC154發出低電平時,三極管Q導通,輸出高電平。此外,可用帶有2級鎖存移位輸出功能的74HC595鎖存器來對列線進行驅動控制。LED點陣的列線接到74HC595的8bit并行輸出口上,由單片機控制數據的輸出,利用74HC595的鎖存輸出功能,電路共用同一個移位時鐘SCK和數據鎖存時鐘RCK,可級聯多片74HC595以構成更大LED點陣屏的列驅動電路。此結構還可在75HC595的使能端通過PWM波進行灰度調節。以一個16行×160列的LED點陣單元為例,本系統采用的驅動電路原理如圖3所示。

圖3 LED驅動電路示意圖
3 系統軟件設計
系統軟件設計包括上位機軟件的設計、下位機程序設計兩部分。上位機軟件完成圖像和文字的編輯,通過計算機串行接口把顯示數據傳送到GPRS的發送模塊上。GPRS發送模塊把信息及時地傳到終端顯示控制卡的GPRS的接收部分,然后終端的CPU控制單元把接收的數據進行分割處理后通過I2C總線傳給各個顯示終端,并且完成顯示數據不同方式的處理。
3.1 下位機程序設計
下位機程序設計主要由兩個部分構成:(1)GPRS的發送單元的程序設計,該單元把上位機處理好的顯示信息及時準確地傳到遠程的終端控制單元;(2)終端控制單元的程序設計,該單元主要完成接收GPRS發送過來的信息然后把數據分割后傳給各個顯示終端。本文主要介紹第二部分的程序設計。
該下位機軟件設計包括主程序、顯示子程序和通信服務程序的設計。主程序主要完成中斷的初始化和串口的初始化設置。顯示程序主要完成數據的各種顯示,顯示部分采用動態掃描的方式,實現對顯示屏要顯示的漢字、圖像、字符等數據信息進行傳輸控制以及顯示等功能。通信服務程序主要完成GPRS的數據接收、數據的分割處理、數據的發送等任務。本文采用模塊化程序設計,程序各部分的功能由各個模塊分別實現。程序模塊有:系統初始化模塊、GPRS通信模塊、數據的處理和存儲模塊、I2C通信模塊。為了保證系統工作的實時性和高效性,本系統采用了實用單片機系統MS3,MS3是一套針對MCU51的開發平臺,借簽了VC編程的消息機制,把各個功能有效地組織起來。RTOS的系統時鐘,實現高效的按鍵掃描和快速的響應中斷,執行例行程序。顯示終端主程序如圖4所示。

圖4 顯示終端主程序流程圖
GPRS通信模塊主要的功能是接收到GPRS發送模塊的信息,然后從外面的Flash中查詢相應的代碼,然后在顯示終端顯示信息,顯示屏可按不同顯示方式進行漢字或表格顯示。GPRS接收模塊設計程序的流程圖如圖5所示。

圖5 GPRS接收模塊設計程序流程圖
3.2 上位機管理軟件設計
在基于GPRS的LED的顯示系統中,上位機機管理軟件主要負責文本信息的編輯,對顯示的數據根據TEXT或PDU模式進行編碼,然后通過GSM的發送模塊把信息發送出去。上位機軟件使用可視化編程工具VisualC++6.0開發,首先根據LED顯示屏的大小設置上位機文字和圖像處理的尺寸,然后對輸入的數據和圖像進行編輯,最后把提取有用的數據通過通信接口傳給下位機。在通信的過程中為了保證應用的廣泛性,PC機的控制系統中采用了Microsoft Visual C++6.0開發工具中非常好用的多線程串口編程工具CSerialPort類,與自帶的MSComm控件相比,這個類打包的時候不需要加入其他的文件,而且函數都是開放透明的允許用戶改造。
4 小結
通過終端處理單元可以接收GPRS模塊發送的數據,然后將數據通過I2C總線傳給各個顯示終端。終端顯示采用串行移位輸出方式可以實現一組字符的各種預定模式顯示。本電路可擴展實現由30多個160×16點陣LED模塊組成的LED電子顯示屏顯示控制。經實際應用表明,該電路穩定可靠,效果良好,具有一定的實用價值。但是本設計所用的控制卡只能控制顯示屏的單色顯示,如果能顯示雙色,甚至三色那就更方便了。如何使LED顯示屏可以顯示變化的數字、文字、圖形圖像,甚至視頻,這需要在數據的存儲和處理算法方面進一步研究。