根據“十一五”規劃建設目標,我國將全面實現20戶以上共71.66萬個已通電自然村的“村村通”廣播電視。2008年6月,隨著中星9號的順利升空,我國的“村村通”工程進入直播衛星時代。根據國家廣電總局的規劃,在目前已經開通48套電視節目的基礎上,未來還將開展多種增值服務,如高清、推送視頻點播等內容,并由此推動相關的產品制造、服務行業的發展與產業升級,形成上千億元的市場規模,為拉動內需,促進經濟發展,發揮積極作用。針對該市場的巨大需求,Maxim推出MAX2119,本文介紹了基于Maxim MAX2119和中天聯科AVL1108解調芯片的直播星NIM調諧器的參考設計。
硬件設計
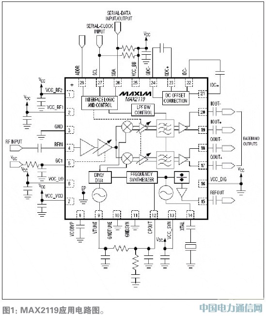
MAX2119低成本、直接變頻調諧器IC專為直播星機頂盒設計,封裝為5mm x 5mm、28腳QFN。MAX2119使用寬帶I/Q下變頻器直接將衛星信號從LNB變頻到基帶,工作頻率范圍擴展到925MHz到2175MHz。該器件包含LNA、RF可變增益放大器、I/Q下變頻混頻器、截止頻率可編程的基帶低通濾波器和數控可變增益基帶放大器。RF和基帶可變增益放大器相配合,能夠提供大于80dB的增益控制范圍。MAX2119包含完整的單片VCO和N分頻頻率合成器。另外,片內晶體振蕩器提供緩沖輸出,用于驅動額外的調諧器和解調器。通過2線串行接口實現合成器的編程和器件配置。IC能夠自動選擇VCO(VAS),以自動選擇適當的VCO。在多調諧器應用中,該器件可以配置為兩個2線接口地址的其中之一。

AVL1108主要功能包括基帶信號解調和信道解碼,用于將衛星調諧器輸出的ABS-S基帶信號轉換成TS流,并通過簡單的接口提供給后端解碼芯片。接收信號經過匹配濾波器、符號時鐘恢復環路、載波頻率和相位跟蹤環路、均衡器、前向糾錯解碼器,之后生成TS流,輸送給后端解碼芯片。AVL1108在8PSK解調模式下,符號速率達到45MSps,凈碼流速率達到120Mbps的衛星信道接收芯片,可提供更多頻道接收和高清晰度電視傳輸。 通過標準I2C總線控制接口,后端處理芯片可以方便控制AVL1108,并通過AVL1108峁┑腄iSEqCTM接口,對下變頻器(LNB)進行配置。AVL1108提供了射頻自動增益控制,只需通過簡單的阻容網絡就可以與前端調諧器連接。AVL1108針對ABS-S信號格式進行專門優化處理,能夠實現完美的時鐘同步和卓越的前向糾錯性能。AVL1108集成雙通道高性能差分模數轉換器(ADC),具備消除直流、IQ補償和相位補償功能。 AVL1108具備極強的抵御相位噪聲能力,可以在頻偏達到5MHz的環境中快速鎖定信號,并能維持精確的時鐘同步。


MAX2119外圍僅需要一個晶體以及少量的電阻電容就可以組成一個完整ABS-S接收前端。可直接將ABS-S信號下變頻到解調芯片所需要的I/Q信號。RF輸入頻率范圍為950MHz至2150MHz,覆蓋目前直播星的950MHz至1450MHz的主要工作頻段。晶體的參考頻率為12MHz至30MHz。
系統測試
本文僅給出了噪聲系數的測試環境及方法,關于其它項目測試所需設備及具體方法,請聯系Maxim工程師。
噪聲系數測試環境及方法

測試條件
測量噪聲系數時,須用功率計和阻抗轉換器認真校準其輸入信號功率。校準之后,輸入一個-90dBm的單音射頻信號到F端,而后在I/Q輸出接口端用頻譜儀測量I/Q輸出和噪聲譜密度。噪聲系數可通過以下公式計算得出。
射頻頻率 = 1550 MHz (信號源產生的單音信號)
輸入功率= -90 dBm (校準的)
GC1 = 0.5 V
GC2 = +10dB
線損= 0.88dB
從頻譜儀讀出的數值:
輸出功率 (I/Q) = -16.81 dBm
噪聲譜密度 = -89.51dBm/Hz (noise density)
結果:
噪聲系數 = 174 - (輸出功率- 輸入功率) +噪聲譜密度-3 – 線損
= 174 – (-16.81+90) – 89.51-3-0.88 dB
= 7.42 dB
測試結果
RF性能
圖5、圖6、圖7分別給出了雜散輻射、輸入回波損耗和噪聲系數指標的測試結果,圖5所示雜散輻射低于-102dBm;圖6所示輸入回波損耗在950MHz-2150MHz段低于-6.2dB;圖7所示為950MHz到2150MHz頻段內的噪聲系數,950MHz為7.85dB,2150MHz為8.07dB。基帶增益設置為+10dB。



基于MAX2119和AVL108的ABS-S直播星NIM調諧器設計為客戶設計直播星機頂盒提供了參考,客戶只需加入解碼芯片部分電路、電源、前面板即可組成一個完整ABS-S機頂盒。