隨著人們生活水平的提高,城市中汽車的數量劇增,從而帶動了很多相關行業的發展,然而很多的不法分子也打起了偷盜車牌的主意,用來敲詐車主,這讓車主很是頭疼,也嚴重地影響了社會的和諧發展。
早期的車牌固定是用兩個普通的螺絲將車牌固定之后用一個防護帽扣在外面防止螺絲外露,螺絲防護帽是鋁、普通鋼和塑料制品,只能緊固,不能防盜、防卸,用螺絲刀一撬就脫落,不能防止車牌被盜。這些車牌防盜裝置絕大部分都是機械式的,它們的共性是增加了車牌被撬的難度,沒有任何報警裝置;還有的車牌報警裝置是當車牌發生松動或車牌被拿下之后發出報警聲音,只是起到警示作用。如果車主不在現場,會很難得到車牌被盜的報警信息,這種報警裝置沒有真正意義上向車主報警。
基于GSM的新型智能車牌報警系統是以單片機為核心控制器,能通過霍爾效應數字傳感器感應車牌螺絲防護蓋的松動,進行現場報警,能通過現有的GSM網絡向車主發送報警信息。該新型智能車牌防盜報警裝置具有智能化、實時性、遠程通訊、結構簡單、安裝方便等優點。
1 系統原理設計
系統工作原理:汽車共有2個車牌,每個車牌需要用2個螺絲固定,這樣就會有4個螺絲防護帽,在固定車牌的每個螺絲防護帽里面貼上一個小的強力磁鐵,在車殼的里面緊靠著防護帽的地方放置一個全極性霍爾開關,當扣帽沒有脫落時,全極性霍爾開關是開的,當車牌固定螺絲的防護帽脫落時,霍爾開關會因為磁場的消失而關閉,產生一個脈沖。當單片機接收到這個脈沖時,現場報警模塊發出報警聲音,同時GSM模塊將撥通車主的手機進行報警。如果車牌固定螺絲已經采用了機械式防盜螺絲,車主將會有充足的時間趕到現場而避免車牌被盜,即使車牌使用的是普通的緊固螺絲,當第一個扣帽脫落時,車主也有足夠的時間趕到現場而避免車牌被盜。該新型車牌防盜報警裝置的原理框圖如圖1所示。

圖1 系統原理圖
2 主要硬件設計
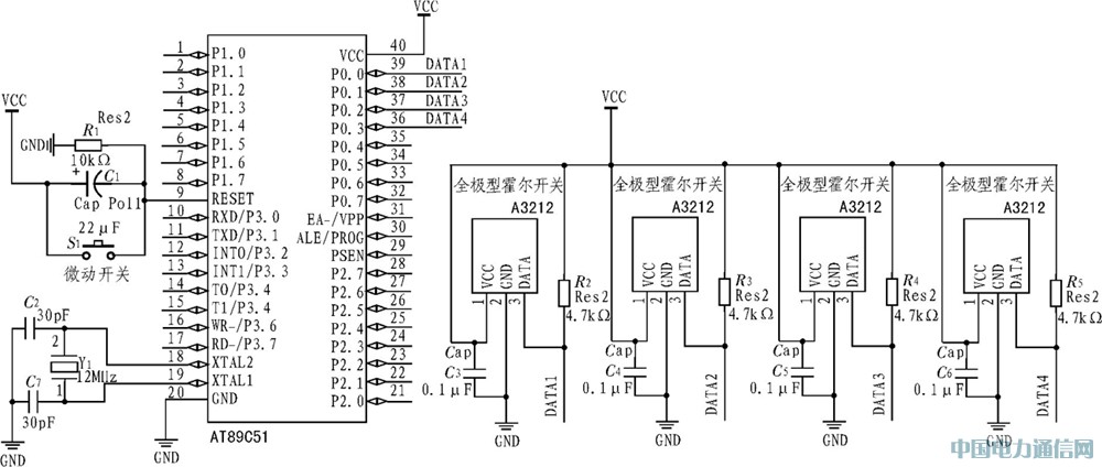
2.1 傳感器模塊選擇及連接電路
傳感器使用的是4個低功耗、高靈敏度A3212全極霍爾效應數字傳感器,它是美國AllegroMicrosystems公司生產的一種霍爾開關型傳感器,它具有工作電壓低,數字鎖存輸出等特點。它與其他霍爾效應開關不同,只要存在強度足夠大的北極或南極磁場,這些器件就能打開不需要接觸,而在沒有磁場的時候,輸出會關閉,具有結構牢固,體積小,重量輕,壽命長,安裝方便,功耗小,頻率高(可達1 MHz),耐震動,不怕灰塵等優點。圖2為全極霍爾效應數字傳感器和AT89C51的鏈接原理圖。

圖2 傳感器鏈接圖
2.2 傳感器安裝
在圖4中,螺絲防護帽中粘貼上一個磁鐵,然后在車殼里面裝上傳感器,由于前車牌安裝的部位是非鐵磁性材料,后車牌安裝的部位有的是鐵磁性材料,有的是非鐵磁性材料。如果后車牌安裝位置是鐵磁性材料,為了傳感器能檢測到磁信號,在后面車殼上鉆一個小的通孔來保證此信號能被傳感器檢測,如圖3(a)所示,如果是非鐵磁性材料安裝如圖3(b)所示。

圖3 傳感器安裝示意圖
2.3 其他硬件模塊設計
中央控制器模塊采用AT89C51單片機,顯示模塊采用12232液晶屏,按鍵模塊采用矩陣式鍵盤,本電路中矩陣鍵盤采用4x4矩陣式鍵盤,它采用4條I/O線作為行線,4條I/O線作為列線組成的鍵盤,在行線和列線的每一個交叉點上,設置一個按鍵,這樣鍵盤中按鍵的個數是4x4個,這種行列式鍵盤結構能夠有效地提高單片機系統中I/O口的利用率;現場報警模塊,采用的是12 V驅動電壓的蜂鳴器;通訊模塊,采用的是TC35遠程通訊模塊,它可以利用GSM網絡將報警信息發送給車主。單片機AT89C51的復位電路,采用按鍵復位,時鐘電路采用外部振蕩器電路。
3 系統軟件設計
在新型智能車牌防盜報警裝置系統程序流程圖如圖4所示,主程序流程為各模塊的初始化--傳感器模塊的實時監測一現場報警--液晶顯示--GSM通訊模塊發送車牌緊固螺絲脫落的報警信息。

圖4 程序流程圖
4 結束語
基于GSM的智能車牌防盜報警裝置有如下特點:1)能夠實時的監測車牌緊固螺絲的松動;2)本裝置能夠利用現有的GSM網絡實現遠距離的報警;3)本裝置利用單片機作為控制系統智能化高;4)結構簡單、方便安裝、成本低廉等。該系統對促進國內車牌或相關設備設施的防盜研發具有積極的意義,有一定的應用價值。