0 引言
近年來,一種被稱為無線傳感器網絡的新型網絡出現了。這種由多個具有計算處理、無線通信、傳感或控制能力的單節點構成的無限傳感器網絡是當前國際上倍受關注的、多學科前沿熱點研究領域,它具有信號采集、實時監測、信息傳輸、協同處理、信息服務等功能,使網絡技術得到了極大的拓展,并使通過網絡實時監控各種環境和設施成為可能。傳感網是物聯網的核心,主要應用于物聯網中的信息感知層,用于跟蹤、監測和決策支持,實現智能感知和管理。
嵌入式系統是以應用為中心,以計算機技術為基礎,軟硬件可裁剪,適用于應用系統對可靠性、成本、體積、功耗等功能有嚴格要求的專用計算機系統。它一般由硬件和軟件組成。其中,硬件包括嵌入式微處理器和外圍設備;軟件包括嵌入式操作系統與特定的應用程序。嵌入式技術可廣泛用于對其他設備的控制、監視或管理功能。
測控技術指對某一特性的監測與控制。遠程測控指管理人員在異地通過計算機網絡聯通需被控制的設備,通過本地計算機對遠方設備進行查詢、配置、修改等工作。遠程測控技術能夠實現辦公自動化與工業自動化的無縫連接,且已成為新興的研究熱點。隨著網絡的需求與發展,B/S模式迅速發展。利用此模式,客戶端只需安裝Web瀏覽器即可簡單通過瀏覽器從Web服務器上下載程序到本地來執行,由此實現遠程測控。
計算機技術、通信技術和微電子技術的飛速發展,讓測控系統領域也正在進行著一場巨大的變革,網絡化和信息化已經成為了測控系統的發展方向。綜合傳感網技術、嵌入式技術與工業測控技術,構建一個基于Web方式的遠程測控系統可使測控產品的實時性、安全性、可維護性等方面得到大幅度的提高,同時也更利于實現集中監視、統一調度與優化管理。本文結合各項技術介紹了一個基于Web方式的嵌入式遠程測控系統,并利用該方案成功實現了一智能家居系統。
1 遠程監控系統的總體結構設計
基于Web方式的嵌入式遠程測控系統的基本架構如圖1所示。該遠程測控系統主要由嵌入式測控單元、本地服務器與遠端管理主機這三部分組成。

圖1 遠程測控系統基本構架
位于最底層的嵌入式測控單元主要分布在各個測控節點上,由中央處理器、傳感器、執行器、網絡接口、GPS模塊、GPRS模塊等組成,負責采集現場的環境參數,并將各參數與設定值比較,若超出規定范圍,則會利用報警器報警,并讓各執行器工作,以獲得正常參數范圍,且將測試數據通過訂制協議傳送到本地服務器,從而到達遠端管理器顯示。GPS模塊可清楚定位發生故障的設備,GPRS模塊作為無線收發模塊可在有線網絡出現故障時實現高質量的數據傳送,為把嵌入式系統應用到遠程測控系統中提供了非常現實可行的意義。
位于中間作為橋梁的是本地服務器,主要接收各測控單元上傳的監測參數,并保存到數據庫中,定時查詢與分析測控單元的狀態,如果發現它出現錯誤,則立即短信通知用戶。同時,服務器也需定時將數據庫中的數據及時反饋給遠端管理器,使用戶在第一時間監測到各測控設備的情況,并實現管理器對各測控單元的操作。
最頂層則是遠端管理器,它可以系統地對各測控單元進行分析、查詢和管理,可以接收測控服務器上傳的各種信息,也能發出命令對底層的單元進行控制與處理,且可根據IP地址直接控制某一特定的測控單元,對各設備進行統一管理。當有線網絡出現故障時,還可以通過GPRS進行無線連接操作,從而使得用戶任何時候都能對其進行控制。
該系統通過前端傳感器模塊和信息接收模塊收集各節點的參數,送入嵌入式系統進行處理和存儲,并定時將監測信息傳送到測控服務器,通過服務器反映到管理機上,從而實現對各測控設備的控制。該遠程測控系統實現了將小設備掛到Internet上,可以及時地監測每一設備的運行情況。對監控系統來說,網絡監控方式靈活,系統施工和維護造價相對低廉,可保存的數據量更大,數據存儲方式更多,系統集成度更高。以網絡為基礎的遠程監控突破了時間、地域的限制,只要在有網絡存在的地方,用戶在授權的情況下,就可以不受限制地隨時按需監控,實現即插即用。
2 關鍵技術研究
2.1 嵌入式系統設計
嵌入式測控單元相當于傳感網的各個節點,主要負責信息的采集,并將其他如光信號、化學信號轉化為電信號,并送給微控制器,對其進行處理。該測控設備是由嵌入式技術研發的具有智能檢測與控制的系統,它以中央微處理器為核心,配以SDRAM、NANDFLASH、網絡接口RJ-45、4線觸摸屏接口、串行接口、LCD、USB口、SD卡存儲接口與A/D和D/A轉換器。使用UART1和UART2通過SP3243ECA芯片將TTL電平轉化為RS232電平,可實現GPS和GPRS通信。該系統硬件框圖如圖2所示。

圖2 嵌入式系統硬件框圖
軟件系統則主要考慮啟動程序、各種驅動程序、操作系統與應用程序。Linux操作系統開放源代碼,可以裁剪內核,并且已經在Motorola,NEC,ARM等多種硬件平臺上穩定、高效運行,具有強大的網絡功能和卓越的文件系統支持功能等優點。故選擇Linux操作系統,并根據具體應用,經裁剪和交叉編譯后,形成ARM可執行文件,借助串行口和網絡口下載到FLASH之中。測控單元的應用程序主要包括數據采集模塊、液晶顯示模塊、鍵盤控制模塊、網絡服務模塊、通信服務模塊與控制執行模塊等。為了構建更好的人機界面,將QT/Embedded圖形用戶界面支持系統移植到Linux中,并開發相應的圖形用戶界面。
2.2 Web應用技術
該系統采用B/S模式,為了能夠從測控服務器或測控管理機通過瀏覽器直接訪問智能測控單元,在智能測控單元中必須具備Web服務器功能。在嵌入式Linux平臺下,使用Boa作為Web服務器,可以使系統穩定高效地在目標系統中運行,并且使用和維護方便,可靠性高。嵌入式Web服務器Boa和普通Web服務器一樣,能夠完成接收客戶端請求、分析請求、響應請求、向客戶端返回請求結果等任務。與其他傳統的Web服務器不同的是Boa具有很高的HTTP請求處理速度和效率,在嵌入式系統中具有很高的應用價值。
Boa程序的移植主要分為以下幾個步驟:
(1)針對ARM-Linux系統下載Boa源碼并解壓之;
(2)生成并修改Makefile文件,修改CC=gcc為CC=/usr/local/arm/2.95.3/bin/armlinuxgcc修改CPP=gccE為CPP=/usr/local/arm/2.95.3/bin/arm-linux-gcc-E;
(3)配置Boa服務器后下載Boa服務器。將編譯后的二進制文件下載到FLASH之中后Web服務器則具有了Web服務器功能。
2.3 數據通信技術
該系統的通信主要包括有線網絡、無線網絡、GPRS,GPS和定制協議通信。
由于GPRS具有眾多的優點,在數據通信業務中得到了非常廣泛的應用,所以在該系統的設計中選用了西門子公司的GPRS模塊MC35來傳輸采集的數據。
MC35模塊支持GSM900和GSM1800雙頻網絡,接收速率可達86.20Kb/s,發送速率可達21.5Kb/s,并且很容易集成,它和ARM2440處理器的UART1接口經TTL232電平轉換后連接。
安裝GPS衛星定位系統,可以隨時確定智能測控單元的位置。該系統的GPS接收模塊采用Motorala公司的M12+ONCORE,該模塊的串行通信參數為波特率4800b/s;8位數據位;1位停止位。
測控單元與本地服務器以及遠程管理機的通信則通過TCP/IP協議,但TCP/IP協議族中的協議數量龐大,而嵌入式系統的資源有限。因此,合理地對TCP/IP協議族進行裁剪更具意義。TCP/IP協議的簡化應該遵循兩個原則:一是不能改變其面向連接的特性;二是它的簡化必須能配合其應用層所采用的協議。本地服務器和遠程管理機則通過智能測控單元中的動態網頁實現與智能測控單元的通信,進而讀取信息,發布執行指令。
3 應用實例及分析
隨著傳感器技術、半導體制作技術和嵌入式處理技術等的發展,無線傳感器網絡的研究和發展取得了突飛猛進的成果。其應用領域也開始從單一軍事領域朝多元化的方向發展,特別是一些大公司的加入,使無線傳感網絡在環境監控、工業控制、智能城市和智能家居[11]等領域取得了實際可行的應用成果。在電子技術越來越發達的今天,電子產業也掀起了一場革命,而人們對生活便捷性的要求也越來越高。針對該現象,本文在此給出一套基于傳感器網絡與ARM的智能家居平臺,其主要目的是對住房內的火警、雨水等環境參數和各種設備進行監控與控制,使住戶無需親臨現場就可以對分布在不同位置的設備進行遠程控制。
3.1 嵌入式測控單元器件選擇與設計
嵌入式測控單元分布在住房內的各個地方,主要負責對現場的信息進行采集和對其進行控制,其主要功能包括采集住房內溫濕度等環境因素,對各用電器進行檢測與控制,實現與測控服務器的網絡通信與實現Web服務器功能。
該系統主要采用的傳感器包含測量濕度與煙霧兩部分。濕度傳感器安裝在窗戶上,負責采集濕度,根據是否下雨來控制窗體的開關。本方案采用HM1500作為濕度采集單元,它具有較寬的濕度測量范圍,具體為0%~100%,且不受水浸影響,有極低的溫度依賴性與良好的線性度。火警測量傳感器采用NIS09C,它適合各種高靈敏度煙霧探測與火災報警。
當檢測到濕度高于所規定范圍時,則調用執行器關閉窗戶,反之,則不進行操作;當檢測到煙霧時,也可控制滅火器的開關與門窗的開合,同時報警器報警,通過短信通知住戶來對火災進行有效的避免。
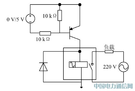
用電器的遠程控制開關是通過一個控制電路實現的,其電路圖如圖3所示。

圖3 遠程控制開關控制電路
微控制器的輸出信號經晶體管驅動后作為繼電器的輸入信號。當微控制器的輸出為低電平時晶體管飽和,驅動繼電器通電吸合,負載通電;當微控制器輸出為高電平時,晶體管截止,繼電器斷電釋放,負載斷電。因此通過遠端管理機可以控制用電器的開關。
3.2 軟件設計要點
對該方案而言,需將濕度、煙霧的監測與蜂鳴器、短信的控制驅動程序進行編寫,在Linux交叉開發平臺中進行配置,裁剪多余的驅動,留下對本平臺有用的驅動,保存后重新編譯,最后將其下載到FLASH當中,而其他的測控服務器軟件則無需改變即可使用。
經多次測試與實驗,驗證了該方案的可行性。利用中間件技術對其進行相應的配置,則可使此遠程測控平臺比較寬泛地應用于各個領域,對于不同的情況,實際上只是需要更換傳感器和相應的驅動程序,而作為上層的數據傳輸及各種應用程序都無需變化。
4 結語
本文提出了基于傳感網的嵌入式遠程測控平臺的一個通用Web遠程測控架構,闡述了該系統的結構及系統的關鍵技術,包括嵌入式技術、通信技術與Web服務器技術等,并通過在一智能家居系統的成功應用,驗證了此方案的可行性。從該系統所具有的安全性強,成本低,帶有智能,報警及時,有利于能源節約等特點可看出,研究遠程監測系統,發揮網絡優勢,實現人工智能對社會進步的重要性。